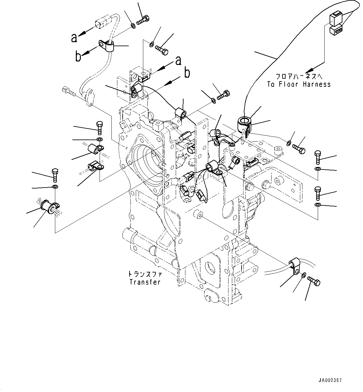
Запчасти Komatsu WA150-6 ПЕРЕДАЧА, HST ПРОВОДКА (№8-) ПЕРЕДАЧА, С КРЫШКА МАСЛОНАЛИВНОГО ПАТРУБКА БЛОКИРОВКА И КРЫШКИБЛОКИР.

Схема запчастей Komatsu WA150-6 - ПЕРЕДАЧА, HST ПРОВОДКА (№8-) ПЕРЕДАЧА, С КРЫШКА МАСЛОНАЛИВНОГО ПАТРУБКА БЛОКИРОВКА И КРЫШКИБЛОКИР.
1
2
3
4
5
6
7
8
9
10
11
12
13
14
15
16
17
18
19
20
21
22
23
23
11
10
7
10
11
7
16
17
7
11
10
8
11
10
10
11
4
5
6
8
12
13
3
9
7
14
15
2
10
11
1
FIT
1:1
100%

Артикул

Название

Примечание

Количество

1

416-06-42360

Wiring Harness

SN: 80001-UP

1шт.

2

04434-53212

Clip

SN: 80001-UP

1шт.

3

07095-20523

Cushion

SN: 80001-UP

1шт.

4

01010-81020

Bolt

SN: 80001-UP

1шт.

5

01643-31032

Washer

SN: 80001-UP

1шт.

6

600-051-3140

Clip

SN: 80001-UP

1шт.

7

600-051-2080

Clip

SN: 80001-UP

4шт.

8

600-051-2140

Clip

SN: 80001-UP

2шт.

9

600-051-2190

Clip

SN: 80001-UP

1шт.

10

01010-81020

Bolt

SN: 80001-UP

6шт.

11

01643-31032

Washer

SN: 80001-UP

6шт.

12

01010-80816

Bolt

SN: 80001-UP

1шт.

13

01643-30823

Washer

SN: 80001-UP

1шт.

14

04434-52112

Clip

SN: 80001-UP

1шт.

15

07095-20314

Cushion

SN: 80001-UP

1шт.

16

01010-81020

Bolt

SN: 80001-UP

1шт.

17

01643-31032

Washer

SN: 80001-UP

1шт.

Выбрано товаров: 17