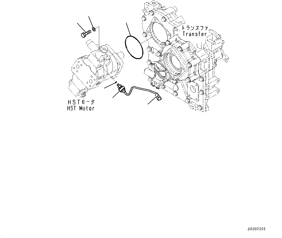
Запчасти Komatsu WA150-6 ПЕРЕДАЧА, МОТОР КОМПОНЕНТЫ (/) (№8-) ПЕРЕДАЧА, БЕЗ КРЫШКА МАСЛОНАЛИВНОГО ПАТРУБКА БЛОКИРОВКА И КРЫШКИБЛОКИР.

Схема запчастей Komatsu WA150-6 - ПЕРЕДАЧА, МОТОР КОМПОНЕНТЫ (/) (№8-) ПЕРЕДАЧА, БЕЗ КРЫШКА МАСЛОНАЛИВНОГО ПАТРУБКА БЛОКИРОВКА И КРЫШКИБЛОКИР.
2
3
1
4
5
6
FIT
1:1
100%

Артикул

Название

Примечание

Количество

1

07000-A2130

O-ring

SN: 80001-UP

1шт.

2

07372-21245

Bolt

SN: 80001-UP

4шт.

3

01643-51232

Washer

SN: 80001-UP

4шт.

4

418-06-36210

Sensor, Pressure

SN: 80001-UP

1шт.

5

07000-12011

O-ring

SN: 80001-UP

1шт.

6

Connector

SN: 80001-UP

1шт.

Выбрано товаров: 0