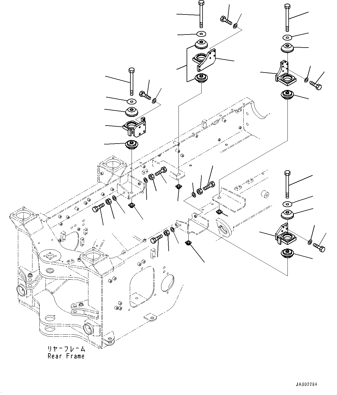
Запчасти Komatsu WA150-6 КРЕПЛЕНИЕ ДВИГАТЕЛЯ (№8-) КРЕПЛЕНИЕ ДВИГАТЕЛЯ, БЕЗ 9AMP. ГЕНЕРАТОР

Схема запчастей Komatsu WA150-6 - КРЕПЛЕНИЕ ДВИГАТЕЛЯ (№8-) КРЕПЛЕНИЕ ДВИГАТЕЛЯ, БЕЗ 9AMP. ГЕНЕРАТОР
2
4
5
6
7
8
9
10
15
16
17
4
3
13
12
11
11
12
13
12
11
14
14
14
14
14
17
17
16
15
16
15
14
13
14
13
12
11
3
1
17
16
15
FIT
1:1
100%

Артикул

Название

Примечание

Количество

1

416-01-41220

Bracket

SN: 80001-UP

1шт.

2

416-01-41210

Bracket

SN: 80001-UP

1шт.

3

01010-81240

Bolt

SN: 80001-UP

8шт.

4

01643-31232

Washer

SN: 80001-UP

8шт.

5

416-01-41230

Bracket

SN: 80001-UP

1шт.

6

01010-81035

Bolt

SN: 80001-UP

4шт.

7

01643-31032

Washer

SN: 80001-UP

4шт.

8

416-01-41240

Bracket

SN: 80001-UP

1шт.

9

01010-81035

Bolt

SN: 80001-UP

4шт.

10

01643-31032

Washer

SN: 80001-UP

4шт.

11

01016-51270

Bolt

SN: 80001-UP

4шт.

12

01580-11210

Nut

SN: 80001-UP

4шт.

13

01643-31232

Washer

SN: 80001-UP

4шт.

14

417-01-41120

Cushion

SN: 80001-UP

8шт.

15

418-01-41180

Plate

SN: 80001-UP

8шт.

16

01011-61640

Bolt

SN: 80001-UP

4шт.

17

418-01-41160

Plate

SN: 80001-UP

4шт.

Выбрано товаров: 17