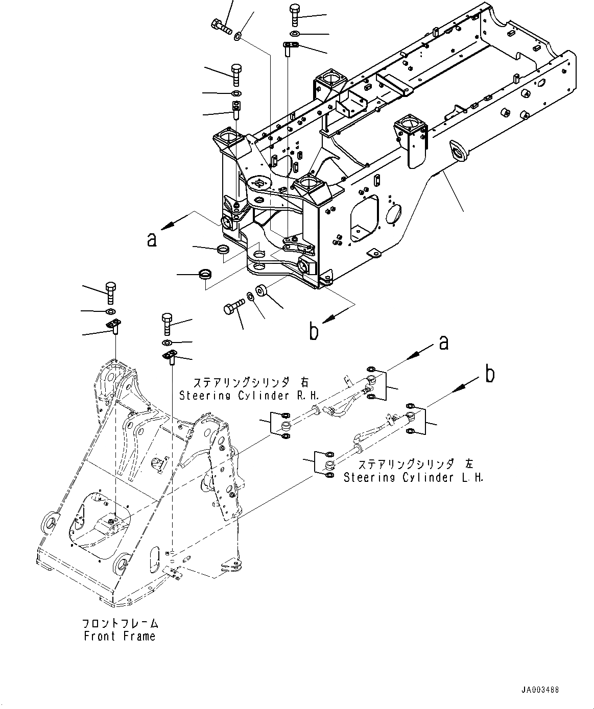
Запчасти Komatsu WA150-6 ЗАДН. РАМА (№8-) ЗАДН. РАМА, С POWERTRAIN ЧАСТИ КОРПУСА, С ДОПОЛН. ПРОТИВОВЕС

Схема запчастей Komatsu WA150-6 - ЗАДН. РАМА (№8-) ЗАДН. РАМА, С POWERTRAIN ЧАСТИ КОРПУСА, С ДОПОЛН. ПРОТИВОВЕС
2
9
3
4
10
8
6
7
4
7
6
12
11
4
7
6
7
5
4
5
5
5
6
1
FIT
1:1
100%

Артикул

Название

Примечание

Количество

1

416-975-4274

Frame,Rear

SN: 80080-UP

1шт.

1

416-975-4273

Frame,Rear

SN: 80080-80116

1шт.

1

416-975-4272

Frame, Rear

SN: 80021-80079

1шт.

1

416-975-4271

Frame,Rear

SN: 80015-80020

1шт.

2

417-46-22210

Bushing

SN: 80015-UP

1шт.

3

417-46-22220

Bushing

SN: 80015-UP

1шт.

4

416-46-32210

Pin

SN: 80015-UP

4шт.

5

205-27-51360

Shim, T=0.5mm

SN: 80015-UP

20шт.

6

01010-81220

Bolt

SN: 80015-UP

4шт.

7

175-54-34170

Washer

SN: 80015-UP

4шт.

8

416-46-11210

Bumper

SN: 80015-UP

2шт.

9

01010-81225

Bolt

SN: 80015-UP

2шт.

10

01643-31232

Washer

SN: 80015-UP

2шт.

11

01010-D1220

Bolt

SN: 80015-UP

2шт.

12

01643-71232

Washer

SN: 80015-UP

2шт.

Выбрано товаров: 15