Запчасти Komatsu WA150-6 УПРАВЛЕНИЕ ПОГРУЗКОЙ БЛОК, РЕЛЕ (№8-) УПРАВЛЕНИЕ ПОГРУЗКОЙ БЛОК, С MONO РЫЧАГ УПРАВЛЕНИЕ ПОГРУЗКОЙ

Схема запчастей Komatsu WA150-6 - УПРАВЛЕНИЕ ПОГРУЗКОЙ БЛОК, РЕЛЕ (№8-) УПРАВЛЕНИЕ ПОГРУЗКОЙ БЛОК, С MONO РЫЧАГ УПРАВЛЕНИЕ ПОГРУЗКОЙ
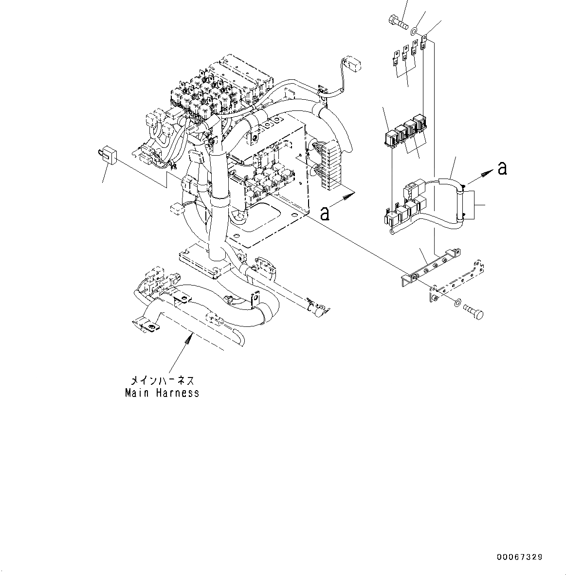
1
2
4
5
6
7
8
9
3
7
FIT
1:1
100%

Артикул

Название

Примечание

Количество

1

421-06-31410

Wiring Harness

SN: 80001-UP

1шт.

2

418-06-42130

Wiring Harness

SN: 80001-UP

1шт.

3

08059-00310

Clip

SN: 80001-UP

2шт.

4

418-54-43110

Bracket

SN: 80001-UP

1шт.

5

569-06-61960

Relay

SN: 80001-UP

3шт.

6

569-06-61970

Relay

SN: 80001-UP

1шт.

7

287-06-16420

Bracket

SN: 80001-UP

4шт.

8

01010-80616

Bolt

SN: 80001-UP

4шт.

9

01643-30623

Washer

SN: 80001-UP

4шт.

Выбрано товаров: 9