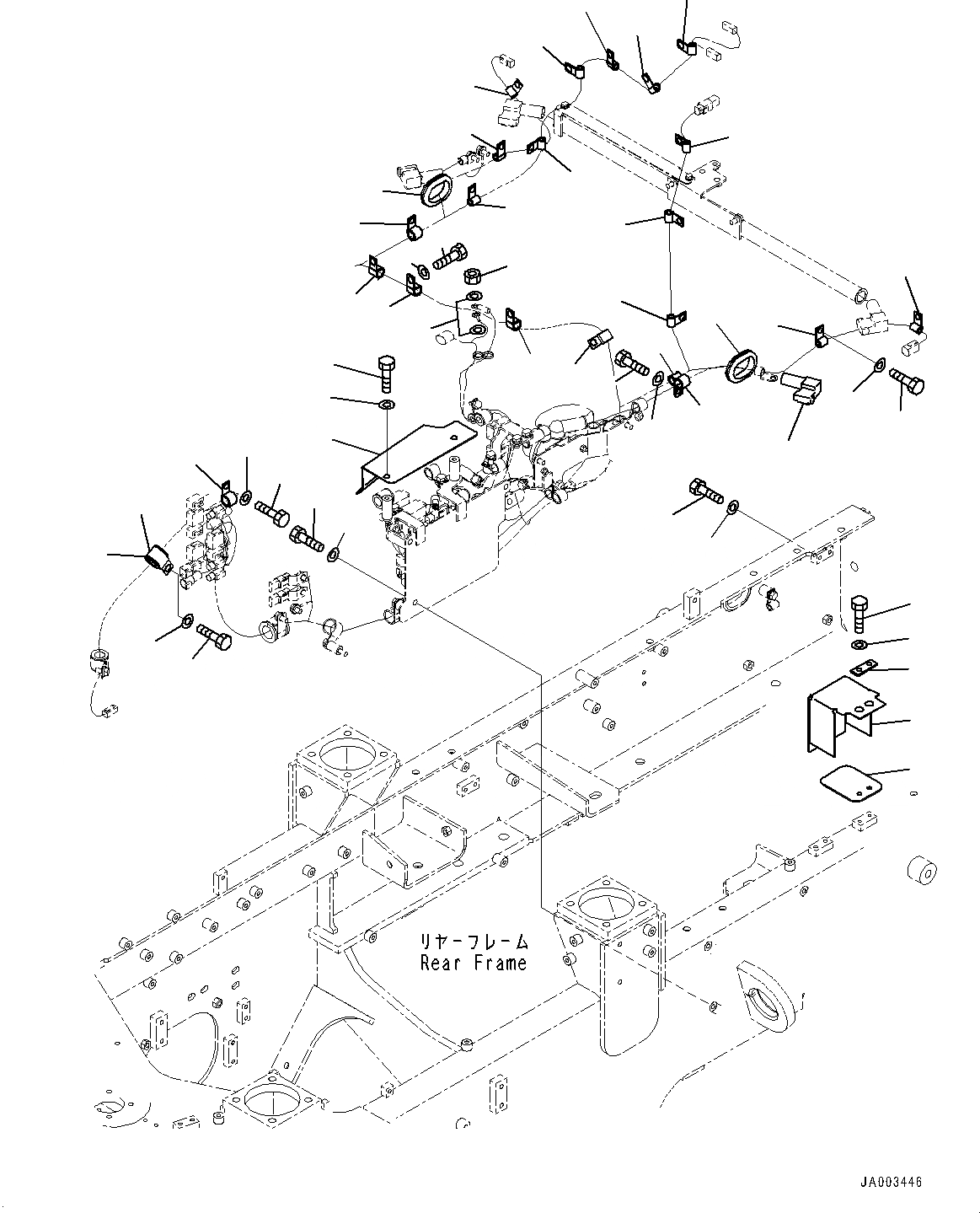
Запчасти Komatsu WA150-6 ЗАДН. ПРОВОДКА, ЭЛЕМЕНТЫ КРЕПЛЕНИЯ (/) (№8-) ЗАДН. ПРОВОДКА, БЕЗ АККУМУЛЯТОР DISCONNECT ПЕРЕКЛЮЧАТЕЛЬ

Схема запчастей Komatsu WA150-6 - ЗАДН. ПРОВОДКА, ЭЛЕМЕНТЫ КРЕПЛЕНИЯ (/) (№8-) ЗАДН. ПРОВОДКА, БЕЗ АККУМУЛЯТОР DISCONNECT ПЕРЕКЛЮЧАТЕЛЬ
6
7
8
9
10
12
11
13
14
15
16
17
19
18
20
21
22
23
24
25
27
26
28
29
6
7
7
7
7
10
10
10
10
10
10
10
10
10
10
10
10
4
3
5
2
1
26
27
31
30
FIT
1:1
100%

Артикул

Название

Примечание

Количество

1

417-06-41630

Sheet

SN: 80001-UP

1шт.

2

417-06-41640

Plate

SN: 80001-UP

1шт.

3

01010-80816

Bolt

SN: 80001-UP

2шт.

4

01643-30823

Washer

SN: 80001-UP

2шт.

5

416-06-41610

Plate

SN: 80001-UP

1шт.

6

426-09-11230

Grommet

SN: 80001-UP

2шт.

7

04434-51712

Clip

SN: 80001-UP

5шт.

8

01010-81020

Bolt

SN: 80001-UP

5шт.

9

01643-31032

Washer

SN: 80001-UP

5шт.

10

04434-51012

Clip

SN: 80001-UP

13шт.

11

01010-81020

Bolt

SN: 80001-UP

13шт.

12

01643-31032

Washer

SN: 80001-UP

13шт.

13

04434-51912

Clip

SN: 80001-UP

1шт.

14

04434-51412

Clip

SN: 80001-UP

1шт.

15

01010-81025

Bolt

SN: 80001-UP

1шт.

16

01643-31032

Washer

SN: 80001-UP

1шт.

17

416-06-41621

Plate

SN: 80001-UP

1шт.

18

01010-81020

Bolt

SN: 80001-UP

2шт.

19

01643-31032

Washer

SN: 80001-UP

2шт.

20

01010-81020

Bolt

SN: 80001-UP

3шт.

21

01643-31032

Washer

SN: 80001-UP

3шт.

22

14X-06-12280

Cover

SN: 80001-UP

1шт.

23

04434-51912

Clip

SN: 80001-UP

1шт.

24

04434-53212

Clip

SN: 80001-UP

1шт.

25

07095-20523

Cushion

SN: 80001-UP

1шт.

26

01010-81020

Bolt

SN: 80001-UP

2шт.

27

01643-31032

Washer

SN: 80001-UP

2шт.

28

01641-20812

Washer

SN: 80001-UP

2шт.

29

01580-10806

Nut

SN: 80001-UP

1шт.

30

01010-81016

Bolt

SN: 80001-UP

1шт.

31

01643-31032

Washer

SN: 80001-UP

1шт.

Выбрано товаров: 31