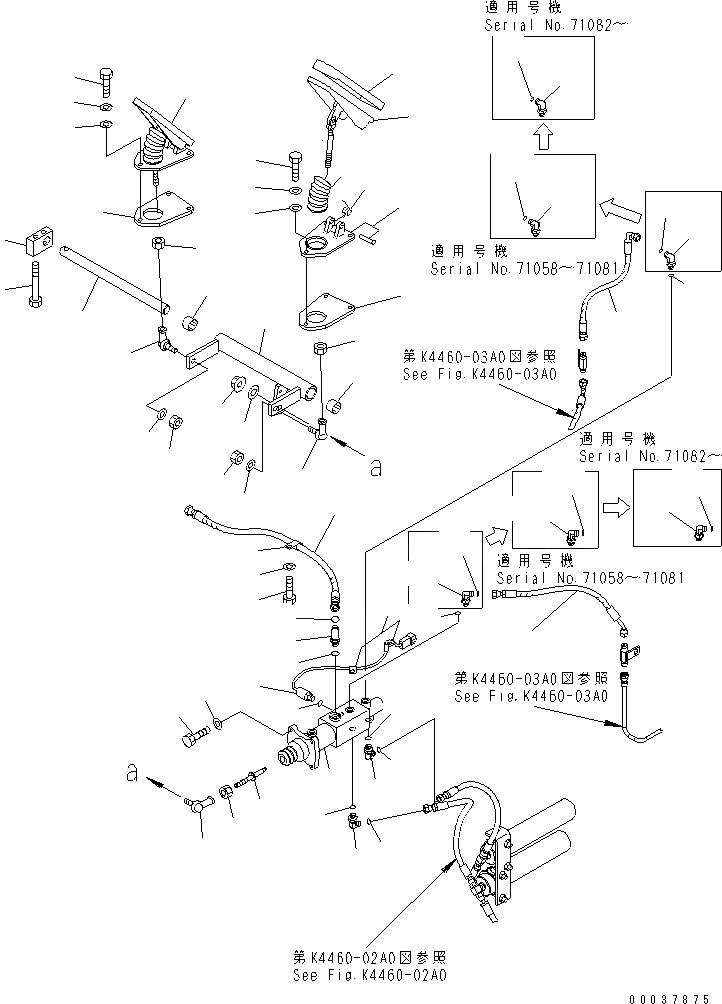
Запчасти Komatsu WA150L-5 ПОЛ (УПРАВЛ-Е ТОРМОЗОМ)(№-78) КАБИНА ОПЕРАТОРА И СИСТЕМА УПРАВЛЕНИЯ

Схема запчастей Komatsu WA150L-5 - ПОЛ (УПРАВЛ-Е ТОРМОЗОМ)(№-78) КАБИНА ОПЕРАТОРА И СИСТЕМА УПРАВЛЕНИЯ
1
1
1
2
3
4
5
5
6
6
7
7
8
8
9
9
10
10
11
11
12
12
13
14
15
16
17
18
19
20
21
22
22
23
24
25
26
26
26
26
26
26
26A
26A
27
27
27
27
28
28
28
28
28
28
28A
28A
29
30
31
32
33
34
35
36
37
38
39
40
FIT
1:1
100%

Артикул

Название

Примечание

Количество

1

418-43-37111

PEDAL

SN: 65061-@

2шт.

2

363-43-37410

PAD

SN: 65061-@

1шт.

3

417-43-27410

BOOT

SN: 65061-@

1шт.

4

417-43-27420

SPRING

SN: 65061-@

1шт.

5

418-43-37410

PLATE

SN: 65061-@

2шт.

6

01010-81055

BOLT

SN: 65061-@

6шт.

7

01643-31032

WASHER

SN: 65061-@

6шт.

8

01643-71032

WASHER

SN: 65061-@

6шт.

9

01582-11210

NUT

SN: 65061-@

2шт.

10

04256-41230

JOINT

SN: 65061-@

2шт.

11

01595-01210

NUT

SN: 65061-@

2шт.

12

01643-31232

WASHER

SN: 65061-@

2шт.

13

04256-41230

JOINT

SN: 65061-@

1шт.

14

01595-01210

NUT

SN: 65061-@

1шт.

15

01643-31232

WASHER

SN: 65061-@

1шт.

16

01582-11210

NUT

SN: 65061-@

1шт.

17

418-43-37140

ROD

SN: 65061-@

1шт.

18

418-43-37130

PLATE

SN: 65061-@

1шт.

19

01010-81270

BOLT

SN: 65061-@

2шт.

20

417-43-27120

SHAFT

SN: 65061-@

1шт.

21

418-43-37120

LEVER

SN: 65061-@

1шт.

22

06124-02520

BEARING

SN: 65061-@

2шт.

23

416-43-37810

VALVE ASS'Y,BRAKE

SN: 71082-72084

1шт.

23

417-43-38110

VALVE ASS'Y,BRAKE

SN: 71058-71081

1шт.

23

418-43-37102

VALVE,BRAKE

SN: 65061-71057

1шт.

24

01010-81035

BOLT

SN: 65061-@

4шт.

25

01643-31032

WASHER

SN: 65061-@

4шт.

26

21W-62-43980

ELBOW

SN: 71082-72084

4шт.

26

21W-62-43980

ELBOW

SN: 71058-71081

2шт.

26

21W-62-43980

ELBOW

SN: 65061-71057

4шт.

26A

418-T80-3281

ELBOW

SN: 71058-71081

2шт.

27

07000-12011

O-RING

SN: 65061-@

4шт.

28

02896-11008

O-RING

SN: 71082-72084

4шт.

28

02896-11008

O-RING

SN: 71058-71081

2шт.

28

02896-11008

O-RING

SN: 65061-71057

4шт.

28A

02896-11009

O-RING

SN: 71058-71081

2шт.

29

416-43-31130

HOSE

SN: 65061-72084

1шт.

30

416-43-31130

HOSE

SN: 65061-72084

1шт.

31

56B-88-12320

ELBOW

SN: 65061-@

1шт.

32

07000-12014

O-RING

SN: 65061-@

1шт.

33

02896-11009

O-RING

SN: 65061-@

1шт.

34

416-43-31140

HOSE

SN: 65061-@

1шт.

35

04434-51610

CLIP

SN: 65061-@

1шт.

36

01643-31032

WASHER

SN: 65061-@

1шт.

37

01010-81020

BOLT

SN: 65061-@

1шт.

38

418-43-37230

SWITCH

SN: 65061-@

1шт.

39

07002-11423

O-RING

SN: 65061-@

1шт.

40

04434-50610

CLIP

SN: 65061-@

2шт.

Выбрано товаров: 48