Запчасти Komatsu WA150L-5 ПЕРЕДАЧА КРЕПЛЕНИЕ СИЛОВАЯ ПЕРЕДАЧА

Схема запчастей Komatsu WA150L-5 - ПЕРЕДАЧА КРЕПЛЕНИЕ СИЛОВАЯ ПЕРЕДАЧА
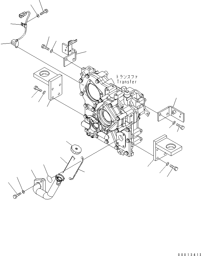
1
2
3
4
5
6
7
8
9
10
11
12
13
14
15
16
17
18
19
20
21
22
23
FIT
1:1
100%

Артикул

Название

Примечание

Количество

1

416-14-31612

BRACKET,L.H.

SN: 65061-UP

1шт.

2

01010-81240

BOLT

SN: 65061-UP

4шт.

3

01643-31232

WASHER

SN: 65061-UP

4шт.

4

416-14-31622

BRACKET,R.H.

SN: 65061-UP

1шт.

5

01010-81240

BOLT

SN: 65061-UP

4шт.

6

01643-31232

WASHER

SN: 65061-UP

4шт.

7

416-14-31652

BRACKET,L.H.

SN: 65061-UP

1шт.

8

01010-81230

BOLT

SN: 65061-UP

2шт.

9

01643-31232

WASHER

SN: 65061-UP

2шт.

10

416-14-31632

BRACKET,R.H.

SN: 65061-UP

1шт.

11

01010-81230

BOLT

SN: 65061-UP

2шт.

12

01643-31232

WASHER

SN: 65061-UP

2шт.

13

416-18-32612

TUBE,FILLER

SN: 65061-UP

1шт.

14

416-18-32622

GAUGE

SN: 65061-UP

1шт.

14

0

GAUGE

SN: (65061-73684)

1шт.

15

6136-21-7120

CAP ASS'Y

SN: 65061-UP

1шт.

15

6136-21-7180

GASKET

SN: 65061-UP

1шт.

16

6136-21-7190

CHAIN

SN: 65061-UP

1шт.

17

07000-A2065

O-RING

SN: 65061-UP

1шт.

18

01010-81045

BOLT

SN: 65061-UP

3шт.

19

01643-31032

WASHER

SN: 65061-UP

3шт.

20

418-18-31501

SENSOR

SN: 65061-UP

1шт.

21

04434-50812

CLIP

SN: 65061-UP

1шт.

22

01010-81020

BOLT

SN: 65061-UP

1шт.

23

01643-31032

WASHER

SN: 65061-UP

1шт.

Выбрано товаров: 25