Запчасти Komatsu WA150L-5 ПЕРЕДАЧА (/) (КОРПУС) СИЛОВАЯ ПЕРЕДАЧА

Схема запчастей Komatsu WA150L-5 - ПЕРЕДАЧА (/) (КОРПУС) СИЛОВАЯ ПЕРЕДАЧА
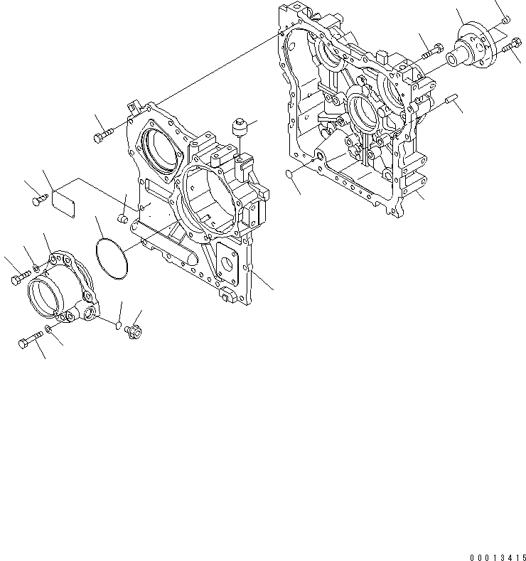
1
2
3
4
5
6
7
8
9
10
11
12
13
14
15
16
17
18
19
20
21
FIT
1:1
100%

Артикул

Название

Примечание

Количество

|$1

416-17-32000

TRANSFER ASS'Y

SN: 65061-UP

1шт.

|$$2

THIS ASSEMBLY CONSISTS OF ALL PARTS SHOWN IN FIGS.F2420-51A0 TO F2420-54A0.

-1шт.

|$3

416-17-31101

CASE

SN: 65061-UP

1шт.

1

0

CASE

SN: 65061-UP

1шт.

2

0

CASE

SN: 65061-UP

1шт.

3

01010-81235

BOLT

SN: 65061-UP

17шт.

4

01010-81260

BOLT

SN: 65061-UP

1шт.

5

07000-73022

O-RING

SN: 65061-UP

1шт.

6

04020-01228

PIN

SN: 65061-UP

2шт.

7

07043-70415

PLUG

SN: 65061-UP

1шт.

8

07044-12412

PLUG

SN: 65061-UP

1шт.

9

07002-12434

O-RING

SN: 65061-UP

1шт.

10

07030-00252

BREATHER

SN: 65061-UP

1шт.

11

416-17-32811

SHAFT

SN: 65061-UP

1шт.

12

07043-A0211

PLUG

SN: 65061-UP

2шт.

13

01010-81235

BOLT

SN: 65061-UP

3шт.

14

416-17-31131

CAGE

SN: 65061-UP

1шт.

15

01010-81235

BOLT

SN: 65061-UP

4шт.

16

01643-31232

WASHER

SN: 65061-UP

4шт.

17

01010-81235

BOLT

SN: 65061-UP

2шт.

18

01643-31232

WASHER

SN: 65061-UP

2шт.

19

07000-75110

O-RING

SN: 65061-UP

1шт.

20

09608-05080

PLATE, NAME

SN: 65061-UP

1шт.

21

04418-13060

SCREW

SN: 65061-UP

4шт.

Выбрано товаров: 24