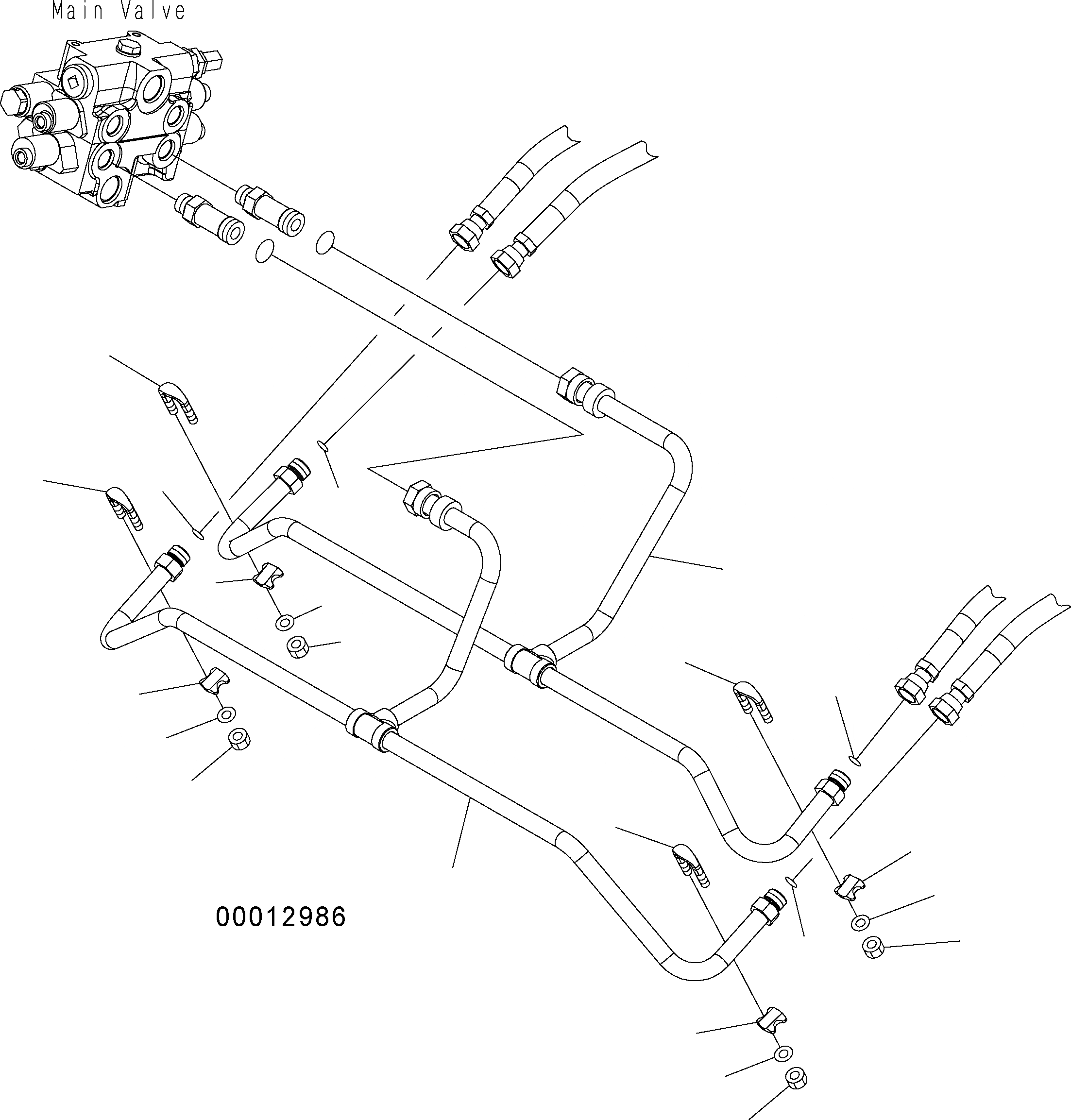
Запчасти Komatsu WA150PZ-5 ГИДРОЛИНИЯ (ЛИНИЯ ГИДРОЦИЛИНДРА ПОДЪЕМА) H ГИДРАВЛИКА

Схема запчастей Komatsu WA150PZ-5 - ГИДРОЛИНИЯ (ЛИНИЯ ГИДРОЦИЛИНДРА ПОДЪЕМА) H ГИДРАВЛИКА
3
7
3
7
2
4
6
5
3
7
4
6
5
3
4
6
1
5
7
4
6
5
FIT
1:1
100%

Артикул

Название

Примечание

Количество

1

416-62-33722

TUBE

SN: H50001-UP

1шт.

2

416-62-33731

TUBE

SN: H50001-UP

1шт.

3

07283-32244

CLIP

SN: H50001-UP

4шт.

4

07283-52232

SEAT

SN: H50001-UP

4шт.

5

01597-01009

NUT

SN: H50001-UP

8шт.

6

01643-31032

WASHER

SN: H50001-UP

8шт.

7

02896-11015

O-RING

SN: H50001-UP

4шт.

Выбрано товаров: 7