Запчасти Komatsu WA150PZ-5 ГИДРОЛИНИЯ (ВОЗВРАТ. ЛИНИЯ) H ГИДРАВЛИКА

Схема запчастей Komatsu WA150PZ-5 - ГИДРОЛИНИЯ (ВОЗВРАТ. ЛИНИЯ) H ГИДРАВЛИКА
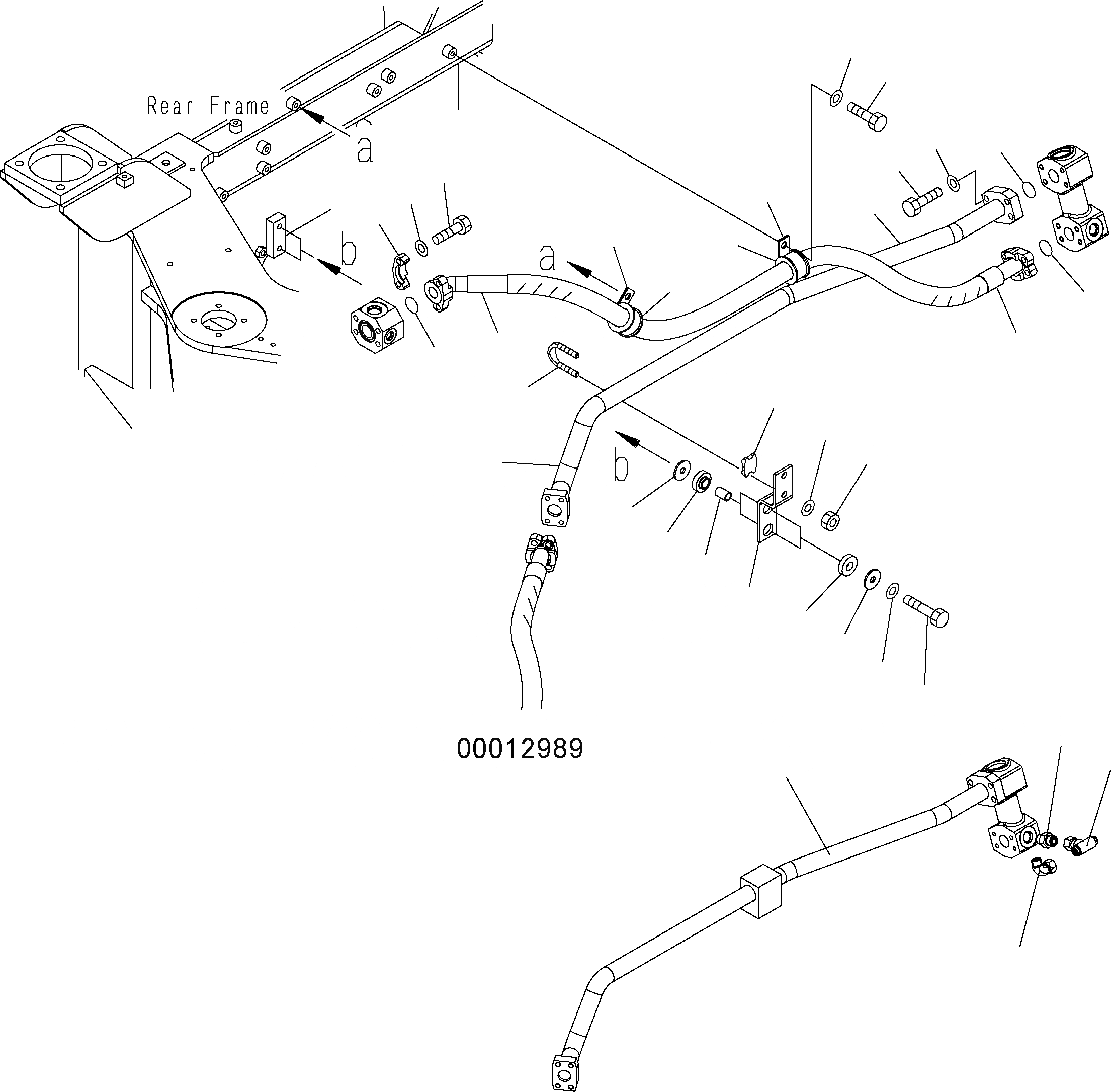
17
1A
16
6
3
5
8
9
14
1
4
14
15
15
7
2
2
7
11
10
13
12
1
23
20
22
24
21
23
19
18
25
26
27
FIT
1:1
100%

Артикул

Название

Примечание

Количество

1

416-62-33174

TUBE

SN: H50051-UP

1шт.

1A

416-62-H5110

TUBE NEW FAN DRIVE

SN: H50051-UP

1шт.

2

416-62-33340

HOSE

SN: H50051-UP

1шт.

3

07000-13038

O-RING

SN: H50051-UP

1шт.

4

07371-31049

FLANGE

SN: H50051-UP

4шт.

5

01252-71040

BOLT

SN: H50051-UP

4шт.

6

01643-51032

WASHER

SN: H50051-UP

4шт.

7

07000-13032

O-RING

SN: H50051-UP

2шт.

8

01252-71040

BOLT

SN: H50051-UP

8шт.

9

01643-31032

WASHER

SN: H50051-UP

8шт.

10

07283-33450

CLIP

SN: H50051-UP

1шт.

11

07283-53444

SEAT

SN: H50051-UP

1шт.

12

01597-01009

NUT

SN: H50051-UP

2шт.

13

01643-31032

WASHER

SN: H50051-UP

2шт.

14

419-09-11150

CLIP

SN: H50051-UP

2шт.

15

418-62-32180

RUBBER

SN: H50051-UP

2шт.

16

01010-81020

BOLT

SN: H50051-UP

2шт.

17

01643-31032

WASHER

SN: H50051-UP

2шт.

18

01010-81230

BOLT

SN: H50051-UP

2шт.

19

01643-31232

WASHER

SN: H50051-UP

2шт.

20

417-62-31170

CUSHION

SN: H50051-UP

2шт.

21

417-62-31180

CUSHION

SN: H50051-UP

2шт.

22

417-62-14130

SPACER

SN: H50051-UP

2шт.

23

419-43-17920

WASHER

SN: H50051-UP

4шт.

24

416-62-32320

PLATE

SN: H50051-UP

1шт.

25

02781-00422

UNION

SN: H50051-UP

1шт.

26

416-09-H0140

TEE

SN: H50051-UP

1шт.

27

42T-09-H1910

ELBOW

SN: H50051-UP

1шт.

Выбрано товаров: 28