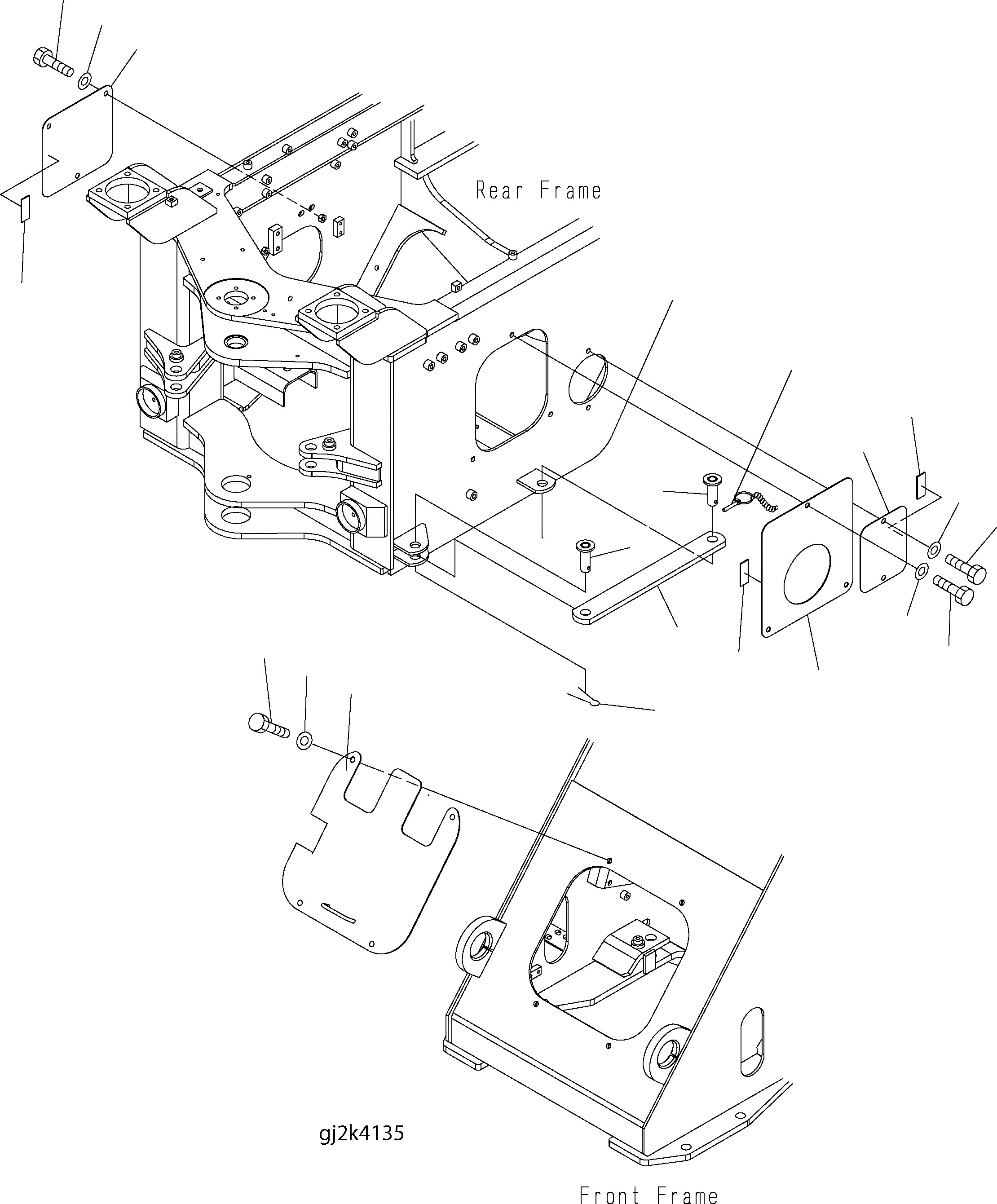
Запчасти Komatsu WA150PZ-5 БЛОКИР. ШАНГА И КРЫШКА(3-Х СЕКЦИОНН. КЛАПАН) J ОСНОВНАЯ РАМА И ЕЕ ЧАСТИ

Схема запчастей Komatsu WA150PZ-5 - БЛОКИР. ШАНГА И КРЫШКА(3-Х СЕКЦИОНН. КЛАПАН) J ОСНОВНАЯ РАМА И ЕЕ ЧАСТИ
12
13
9
11
14
11
10
13
4
12
2
13
6
1
7
12
5
11
8
3
FIT
1:1
100%

Артикул

Название

Примечание

Количество

1

417-46-24110

BAR

SN: H50001-UP

1шт.

2

42Y-00-H3280

PIN

SN: H50001-UP

1шт.

3

04025-00650

PIN

SN: H50001-UP

1шт.

4

42Y-46-H4150

PIN

SN: H50001-UP

1шт.

5

417-877-2220

COVER

SN: H50001-UP

1шт.

6

01010-81225

BOLT

SN: H50001-UP

4шт.

7

01643-31232

WASHER

SN: H50001-UP

4шт.

8

416-46-34411

COVER

SN: H50001-UP

1шт.

9

416-46-34421

COVER

SN: H50001-UP

1шт.

10

416-46-34431

COVER

SN: H50001-UP

1шт.

11

421-09-21420

SHEET

SN: H50001-UP

6шт.

12

01010-81225

BOLT

SN: H50001-UP

8шт.

13

01643-31232

WASHER

SN: H50001-UP

8шт.

14

421-46-12740

PIN

SN: H50001-UP

1шт.

Выбрано товаров: 0