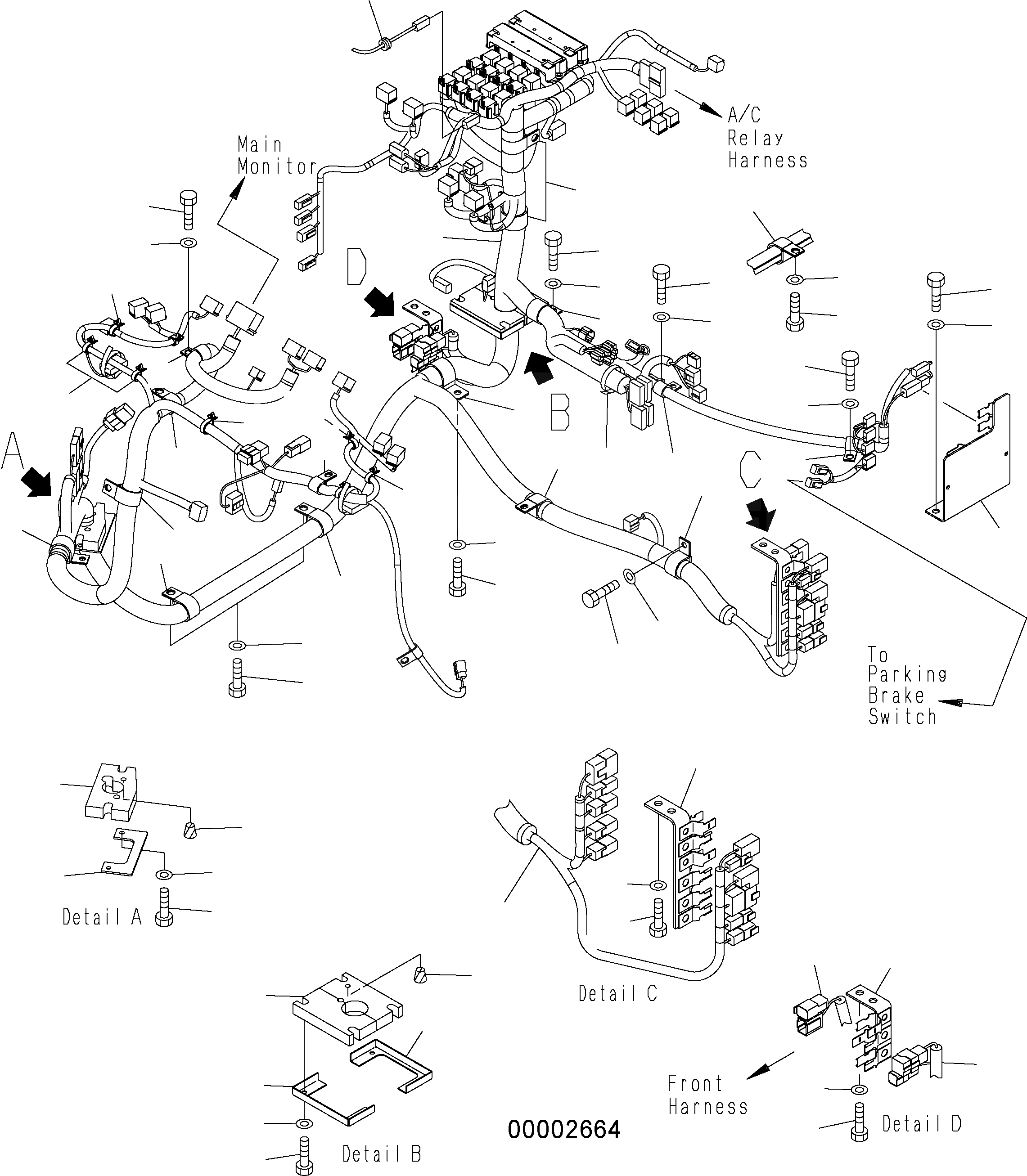
Запчасти Komatsu WA150PZ-5 ПОЛ (Э/ПРОВОДКА) K OPERATORґS ОБСТАНОВКА И СИСТЕМА УПРАВЛЕНИЯ

Схема запчастей Komatsu WA150PZ-5 - ПОЛ (Э/ПРОВОДКА) K OPERATORґS ОБСТАНОВКА И СИСТЕМА УПРАВЛЕНИЯ
33
29
29
5
31
3
24
4
30
7
1
8
7
29
32
7
8
27
2
8
28
7
6
29
8
4
3
5
6
9
3
5
29
8
3
3
26
7
3
8
8
7
7
20
11
12
14
10
22
13
1
21
1
23
17
16
15
1
15
25
19
18
FIT
1:1
100%

Артикул

Название

Примечание

Количество

1

418-06-32484

WIRING HARNESS

SN: H50051-UP

1шт.

2

04434-53212

CLIP

SN: H50051-UP

1шт.

3

04434-53412

CLIP

SN: H50051-UP

6шт.

4

23S-62-25850

CLIP

SN: H50051-UP

3шт.

5

04434-51912

CLIP

SN: H50051-UP

3шт.

6

04434-52312

CLIP

SN: H50051-UP

2шт.

7

01010-81016

BOLT

SN: H50051-UP

15шт.

8

01643-31032

WASHER

SN: H50051-UP

15шт.

9

08034-20519

BAND

SN: H50051-UP

8шт.

10

417-06-22410

PLATE

SN: H50051-UP

1шт.

11

418-06-32452

SHEET

SN: H50051-UP

1шт.

12

07049-01012

PLUG

SN: H50051-UP

1шт.

13

01010-80625

BOLT

SN: H50051-UP

2шт.

14

01643-30623

WASHER

SN: H50051-UP

2шт.

15

418-06-31610

PLATE

SN: H50051-UP

2шт.

16

418-06-31640

SHEET

SN: H50051-UP

1шт.

17

07049-01012

PLUG

SN: H50051-UP

1шт.

18

01010-80612

BOLT

SN: H50051-UP

4шт.

19

01643-30623

WASHER

SN: H50051-UP

4шт.

20

419-06-31333

BRACKET

SN: H50051-UP

1шт.

21

01010-81016

BOLT

SN: H50051-UP

2шт.

22

01643-31032

WASHER

SN: H50051-UP

2шт.

23

419-06-31343

BRACKET

SN: H50051-UP

1шт.

24

01010-81016

BOLT

SN: H50051-UP

2шт.

25

01643-31032

WASHER

SN: H50051-UP

2шт.

26

418-06-31381

BRACKET

SN: H50051-UP

1шт.

27

01010-81025

BOLT

SN: H50051-UP

2шт.

28

01643-31032

WASHER

SN: H50051-UP

2шт.

29

08059-00310

CLIP

SN: H50051-UP

20шт.

30

04434-53412

CLIP

SN: H50051-UP

1шт.

31

01010-81020

BOLT

SN: H50051-UP

1шт.

32

01643-31032

WASHER

SN: H50051-UP

1шт.

33

417-06-12560

GROMMET

SN: H50051-UP

1шт.

Выбрано товаров: 33