Запчасти Komatsu WA150PZ-5 БЛОК ЦИЛИНДРОВ AA ДВИГАТЕЛЬ

Схема запчастей Komatsu WA150PZ-5 - БЛОК ЦИЛИНДРОВ AA ДВИГАТЕЛЬ
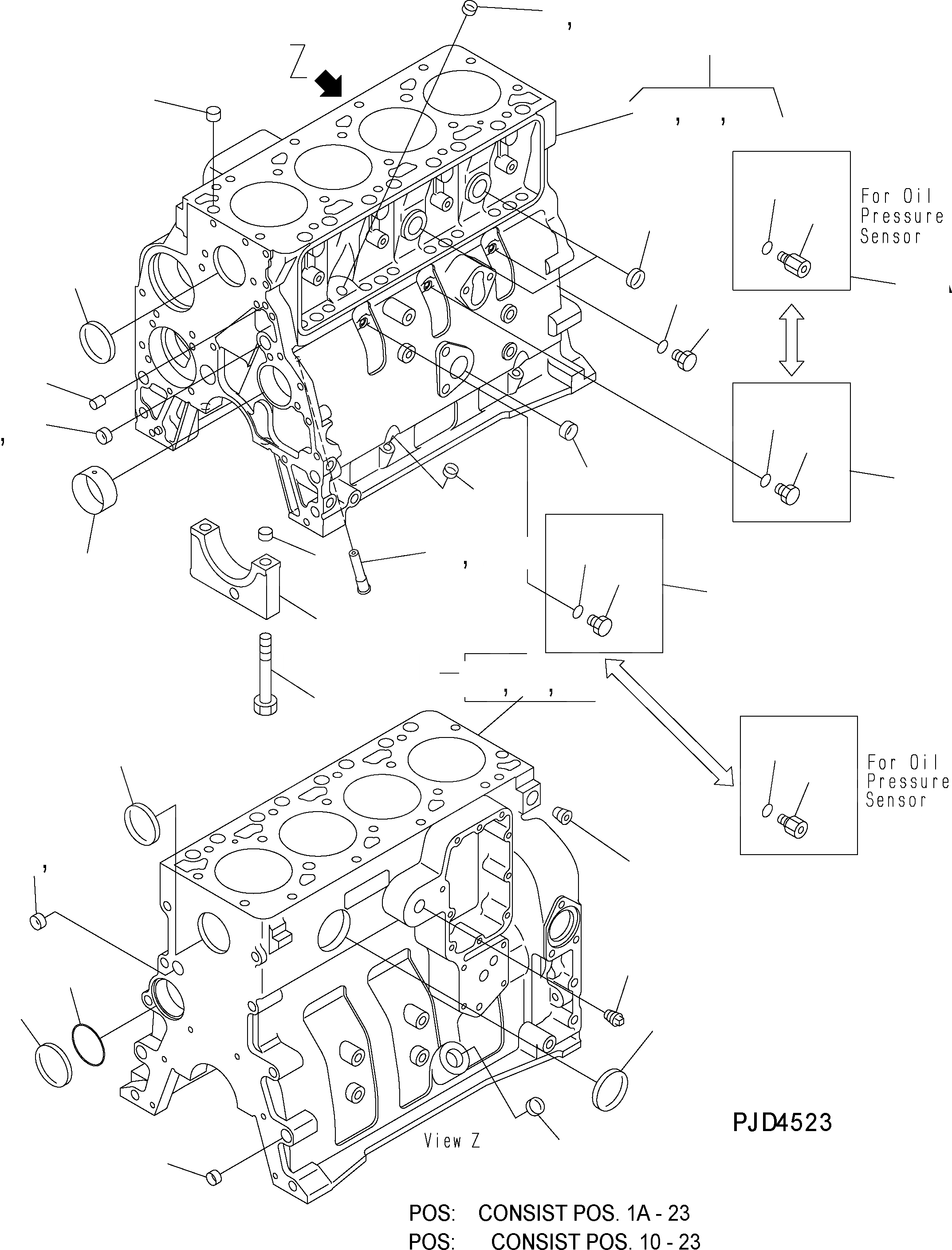
9
1A
11
1B
1B
1A
1C
1C
9A
10
9A
9A
11A
14A
14A
23A
25
24
7
2
18
17
13
16
9
15
21
8
16
3
15
5
4
6
27
2
26
9
14
23
22
20
2
19
12
1
1
1
9B
FIT
1:1
100%

Артикул

Название

Примечание

Количество

1

6731-21-1130

CYLINDER BLOCK ASSEMBLY

SN: 26277757-UP

1шт.

1A

6732-21-1141

BLOCK ASSEMBLY

SN: 26277757-UP

1шт.

1B

6732-21-1113

BLOCK

SN: 26317765-UP

1шт.

1C

6732-21-1112

BLOCK

SN: 26277757-26317764

1шт.

2

6732-21-1830

PLUG

SN: 26277757-UP

3шт.

3

6732-21-1910

RING

SN: 26277757-UP

10шт.

4

6732-21-1210

CAP

SN: 26277757-UP

5шт.

5

6732-21-1411

BUSHING

SN: 26277757-UP

1шт.

6

6732-21-1611

BOLT

SN: 26277757-UP

10шт.

7

6732-21-1820

PLUG

SN: 26277757-UP

2шт.

8

6732-21-5530

PLUG

SN: 26277757-UP

2шт.

9

6732-21-1812

PLUG

SN: 26317765-UP

3шт.

9A

6732-21-1811

PLUG

SN: 26277757-26317764

3шт.

9B

6731-21-1220

BLOCK SERVICE KIT

SN: 26277757-UP

1шт.

10

6732-21-6140

RING

SN: 26277757-UP

2шт.

11

6731-21-1190

NOZZL

SN: 26281447-UP

4шт.

11A

6732-21-1191

NOZZLE

SN: 26277757-26281446

4шт.

12

6732-21-1910

RING

SN: 26277757-UP

2шт.

13

6732-21-6120

PIN

SN: 26277757-UP

2шт.

14

6732-11-1910

PLUG

SN: 26277757-UP

1шт.

14A

6732-21-1960

PLUG ASSEMBLY

SN: 26277757-UP

2шт.

15

6215-81-9510

PLUG

SN: 26277757-UP

1шт.

16

6215-81-9710

O-RING

SN: 26277757-UP

1шт.

17

6215-81-9510

PLUG

SN: 26277757-UP

1шт.

18

6215-81-9710

O-RING

SN: 26277757-UP

1шт.

19

6735-21-5530

PLUG

SN: 26277757-UP

1шт.

20

6732-21-6130

PLUG

SN: 26277757-UP

1шт.

21

6732-21-6160

PLUG

SN: 26277757-UP

1шт.

22

6732-21-1930

O-RING

SN: 26277757-UP

1шт.

23

6732-11-1920

PLUG

SN: 26277757-UP

1шт.

23A

6732-81-3190

ADAPTER ASSEMBLY

SN: 26277757-UP

1шт.

24

6732-81-3180

ADAPTER

SN: 26277757-UP

1шт.

25

6215-81-9710

O-RING

SN: 26277757-UP

1шт.

26

6732-71-5450

NIPPLE

SN: 26277757-UP

1шт.

27

6215-81-9710

O-RING

SN: 26277757-UP

1шт.

Выбрано товаров: 35