Запчасти Komatsu WA150PZ-6 ПЕРЕДАЧА, КОРПУС (№8-) ПЕРЕДАЧА, С ЭКСТРЕНН. УПРАВЛ., АВТОМАТИЧ. УПРАВЛ-Е ТИП

Схема запчастей Komatsu WA150PZ-6 - ПЕРЕДАЧА, КОРПУС (№8-) ПЕРЕДАЧА, С ЭКСТРЕНН. УПРАВЛ., АВТОМАТИЧ. УПРАВЛ-Е ТИП
4
1
2
3
4
5
6
FIT
1:1
100%

Артикул

Название

Примечание

Количество

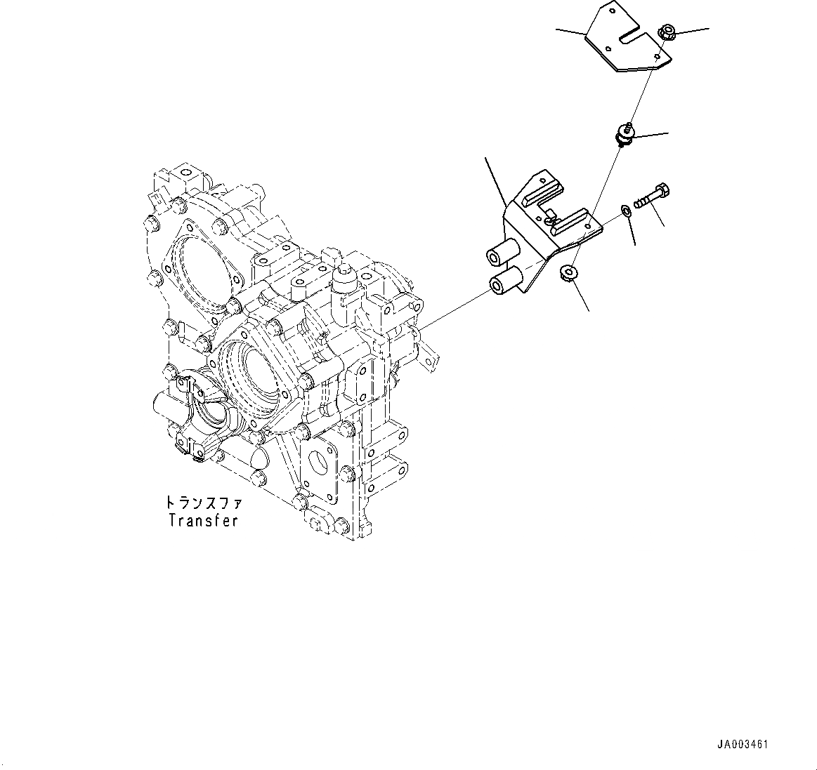
1

416-22-36611

Bracket

SN: 80001-UP

1шт.

2

418-22-36190

Plate

SN: 80001-UP

1шт.

3

424-43-11240

Cushion

SN: 80001-UP

3шт.

4

01584-00605

Nut

SN: 80001-UP

6шт.

5

01010-81275

Bolt

SN: 80001-UP

2шт.

6

01643-31232

Washer

SN: 80001-UP

2шт.

Выбрано товаров: 0