Качественные детали и логистика
Оригинальные и аналоговые запчасти с доставкой по России, Казахстану и Беларуси
©2022 PartSell ООО "Система" ИНН 2463123282 ОГРН 1212400004838
Центральный офис: г. Красноярск, Академика Киренского, д.87, пом.4
Телефон: 8 (800) 777-65-74 Email: zakaz@partsell.ru
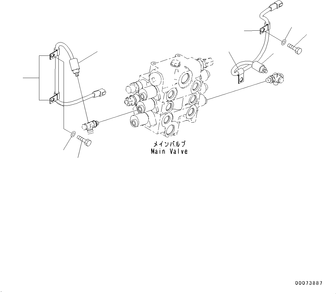
ГИДРАВЛ УПРАВЛЯЮЩ. КЛАПАН, ДАТЧИК (№8-)
№
Артикул
Название
Примечание
Количество
1
195-06-55120
Switch
SN: 80001-UP
2шт.
2
04434-50610
Clip
4шт.
3
01010-81020
Bolt
3шт.
4
01643-31032
Washer
Выбрано товаров: 0