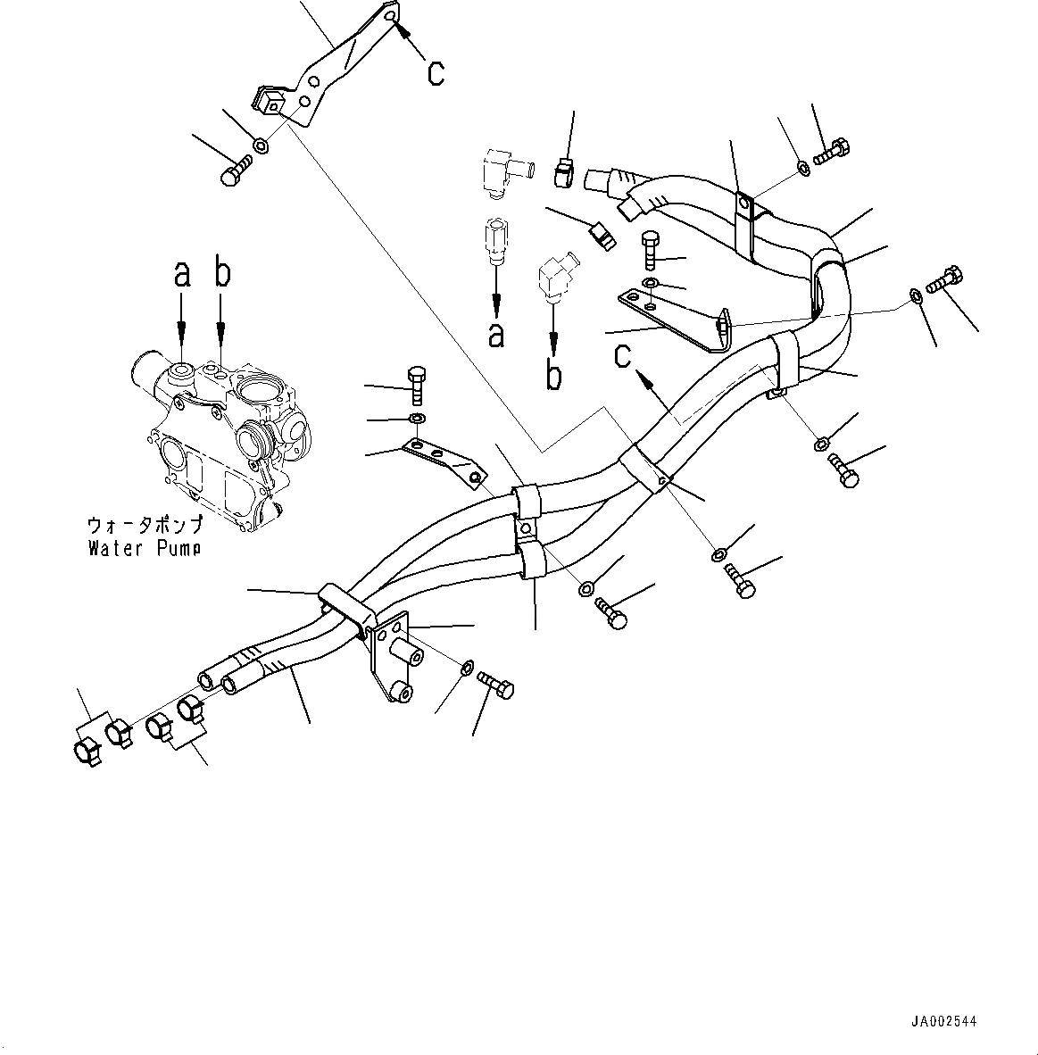
Запчасти Komatsu WA150PZ-6 ГИДР. ПРОВОД. ОБОГРЕВАТЕЛЯ (№8-) ГИДР. ПРОВОД. ОБОГРЕВАТЕЛЯ

Схема запчастей Komatsu WA150PZ-6 - ГИДР. ПРОВОД. ОБОГРЕВАТЕЛЯ (№8-) ГИДР. ПРОВОД. ОБОГРЕВАТЕЛЯ
1
7
3
4
5
6
7
8
9
10
11
12
13
14
15
16
17
18
19
20
21
22
23
2
2
14
3
3
3
4
5
4
4
5
5
FIT
1:1
100%

Артикул

Название

Примечание

Количество

1

416-07-41130

Hose

SN: 80001-UP

1шт.

2

22K-04-21190

Clip

SN: 80001-UP

3шт.

3

195-911-4350

Clip

SN: 80001-UP

4шт.

4

01010-81020

Bolt

SN: 80001-UP

4шт.

5

01643-31032

Washer

SN: 80001-UP

4шт.

6

416-07-41120

Hose

SN: 80001-UP

1шт.

7

22K-04-21190

Clip

SN: 80001-UP

3шт.

8

416-07-41140

Bracket

SN: 80001-UP

1шт.

9

01010-81020

Bolt

SN: 80001-UP

2шт.

10

01643-31032

Washer

SN: 80001-UP

2шт.

11

416-07-41150

Bracket

SN: 80001-UP

1шт.

12

01010-81020

Bolt

SN: 80001-UP

2шт.

13

01643-31032

Washer

SN: 80001-UP

2шт.

14

04434-53411

Clip

SN: 80001-UP

2шт.

15

01010-81025

Bolt

SN: 80001-UP

1шт.

16

01643-31032

Washer

SN: 80001-UP

1шт.

17

416-07-41210

Plate

SN: 80001-UP

1шт.

18

01010-81020

Bolt

SN: 80001-UP

2шт.

19

01643-31032

Washer

SN: 80001-UP

2шт.

20

416-07-41221

Clip

SN: 80066-UP

1шт.

20

416-07-41240

Clip

SN: 80062-80065

1шт.

20

416-07-41220

Clip

SN: 80001-80061

1шт.

21

416-07-41231

Sheet

SN: 80066-UP

1шт.

21

416-07-41230

Sheet

SN: 80001-80065

1шт.

22

01010-81020

Bolt

SN: 80001-UP

2шт.

23

01643-31032

Washer

SN: 80001-UP

2шт.

Выбрано товаров: 26