Запчасти Komatsu WA150PZ-6 INCHING УПРАВЛ-Е (№8-) INCHING УПРАВЛ-Е

Схема запчастей Komatsu WA150PZ-6 - INCHING УПРАВЛ-Е (№8-) INCHING УПРАВЛ-Е
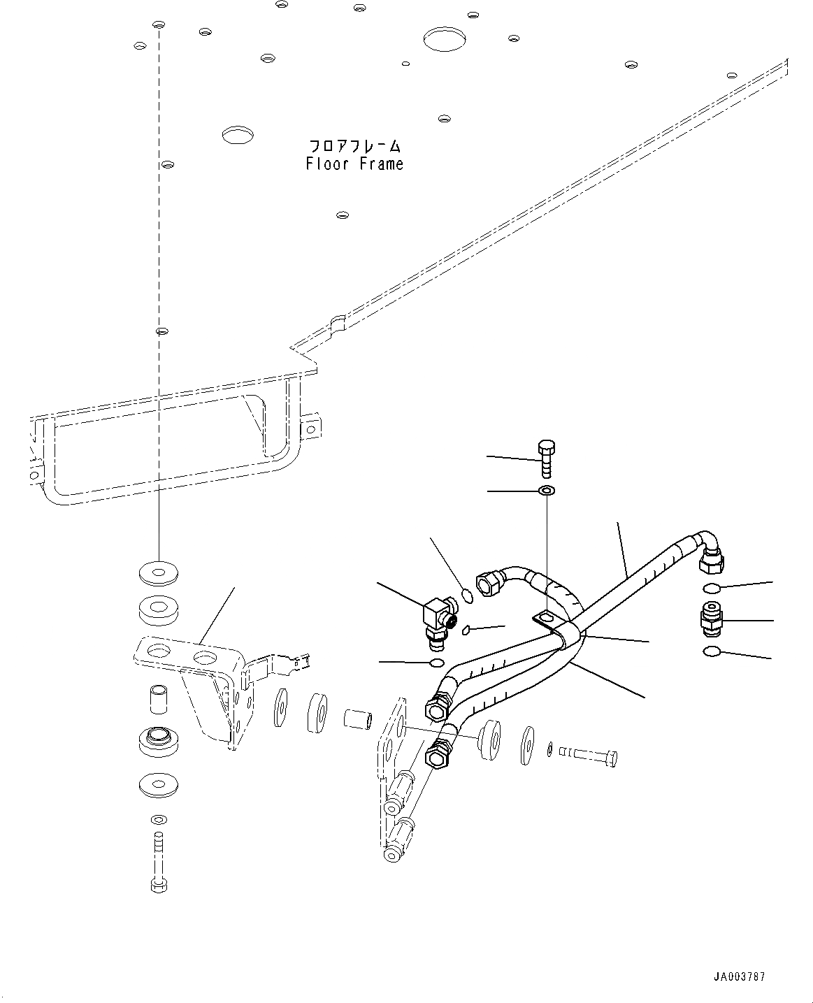
5
4
7
6
9
2
1
3
8
12
11
10
13
FIT
1:1
100%

Артикул

Название

Примечание

Количество

1

56B-88-12230

Union

SN: 80001-UP

1шт.

2

07000-12014

O-ring

SN: 80001-UP

1шт.

3

02896-11009

O-ring

SN: 80001-UP

1шт.

4

20Y-62-45710

Tee

SN: 80001-UP

1шт.

5

07002-11423

O-ring

SN: 80001-UP

1шт.

6

02896-11008

O-ring

SN: 80001-UP

1шт.

7

02896-11009

O-ring

SN: 80001-UP

1шт.

8

416-18-43860

Hose

SN: 80001-UP

1шт.

9

02761-00304

Hose, Face Seal Type

SN: 80001-UP

1шт.

10

04434-51512

Clip

SN: 80001-UP

1шт.

11

01010-81020

Bolt

SN: 80001-UP

1шт.

12

01643-31032

Washer

SN: 80001-UP

1шт.

13

416-T90-4710

Bracket

SN: UP

-1шт.

Выбрано товаров: 0