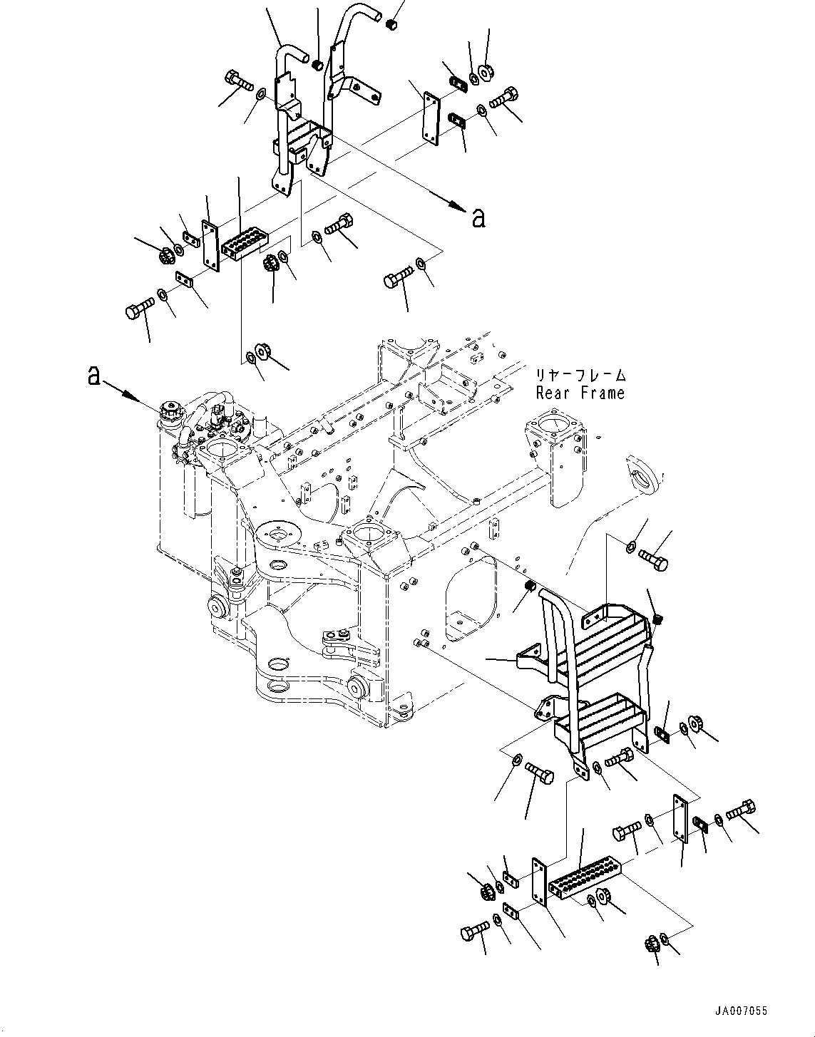
Запчасти Komatsu WA150PZ-6 ЛЕСТНИЦА, (№87-) ЛЕСТНИЦА

Схема запчастей Komatsu WA150PZ-6 - ЛЕСТНИЦА, (№87-) ЛЕСТНИЦА
18
21
22
23
24
21
22
18
22
21
18
23
18
22
21
20
19
20
19
20
19
20
19
2
6
5
2
1
13
9
8
4
3
8
9
11
7
10
12
11
10
7
15
15
14
11
10
9
8
8
9
11
10
7
7
12
17
16
FIT
1:1
100%

Артикул

Название

Примечание

Количество

1

416-54-44112

Ladder

SN: 81165-UP

1шт.

1

416-54-44111

Ladder

SN: 80001-81164

1шт.

2

416-54-44410

Cap

SN: 80001-UP

2шт.

3

01010-81230

Bolt

SN: 80001-UP

3шт.

4

01643-31232

Washer

SN: 80001-UP

3шт.

5

01010-81230

Bolt

SN: 80371-UP

4шт.

6

20Y-54-12670

Washer

SN: 80371-UP

4шт.

7

428-T86-1650

Plate

SN: 80001-UP

4шт.

8

01010-D1040

Bolt

SN: 80001-UP

8шт.

9

01643-71032

Washer

SN: 80001-UP

8шт.

10

01643-71032

Washer

SN: 80001-UP

8шт.

11

01596-01009

Nut, Flanged

SN: 80001-UP

8шт.

12

416-54-44140

Rubber

SN: 80001-UP

2шт.

13

416-54-44130

Step

SN: 80001-UP

1шт.

14

416-54-44121

Ladder

SN: 81165-UP

1шт.

14

416-54-44120

Ladder

SN: 80001-81164

1шт.

15

416-54-44410

Cap

SN: 80001-UP

2шт.

16

01010-81225

Bolt

SN: 80001-UP

4шт.

17

01643-31232

Washer

SN: 80001-UP

4шт.

18

428-T86-1650

Plate

SN: 80001-UP

4шт.

19

01010-D1040

Bolt

SN: 80001-UP

8шт.

20

01643-71032

Washer

SN: 80001-UP

8шт.

21

01643-71032

Washer

SN: 80001-UP

8шт.

22

01596-01009

Nut, Flanged

SN: 80001-UP

8шт.

23

418-54-45640

Rubber

SN: 80001-UP

2шт.

24

416-54-44150

Step

SN: 80001-UP

1шт.

Выбрано товаров: 26