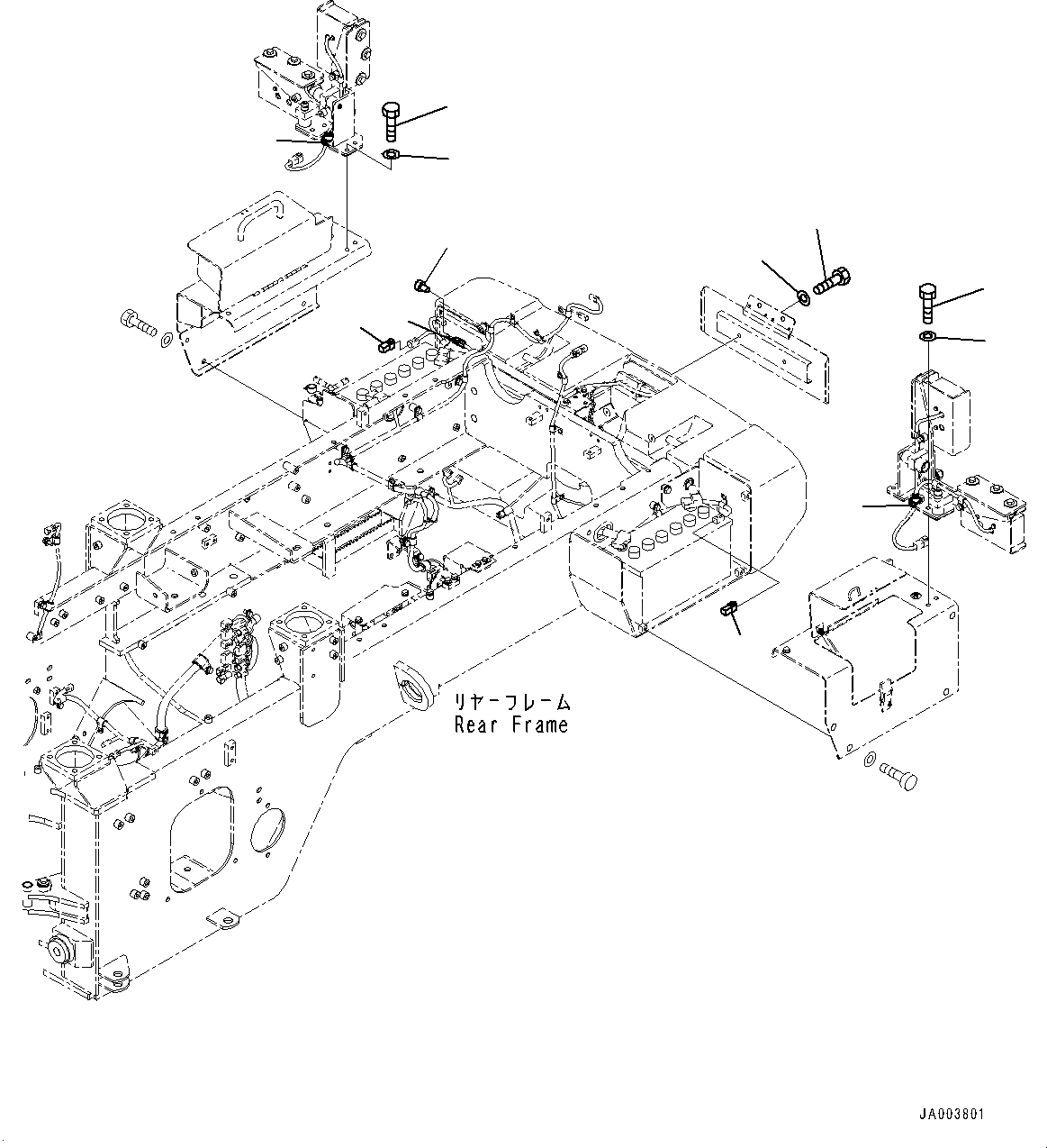
Запчасти Komatsu WA150PZ-6 АККУМУЛЯТОРН. ОТСЕК, ЗАГЛУШКА (№8-) АККУМУЛЯТОРН. ОТСЕК

Схема запчастей Komatsu WA150PZ-6 - АККУМУЛЯТОРН. ОТСЕК, ЗАГЛУШКА (№8-) АККУМУЛЯТОРН. ОТСЕК
1
2
4
3
5
6
3
1
7
4
8
2
FIT
1:1
100%

Артикул

Название

Примечание

Количество

1

01010-81030

Bolt

SN: 80001-UP

8шт.

2

01643-31032

Washer

SN: 80001-UP

8шт.

3

09415-02512

Cap

SN: 80001-UP

2шт.

4

23C-06-51430

Connector

SN: 80001-UP

2шт.

5

08192-22100

Connector Body

SN: 80001-UP

1шт.

6

08191-00770

Plug, Connector

SN: 80001-UP

2шт.

7

01010-D1020

Bolt

SN: 80001-UP

2шт.

8

01643-71032

Washer

SN: 80001-UP

2шт.

Выбрано товаров: 0