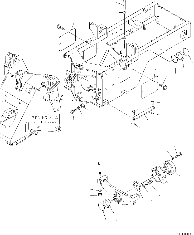
Запчасти Komatsu WA150SS-3-X ЗАДН. РАМА (SUPER БЕСШУМН. СПЕЦИФ-Я)(№-) РАМА И ЧАСТИ КОРПУСА

Схема запчастей Komatsu WA150SS-3-X - ЗАДН. РАМА (SUPER БЕСШУМН. СПЕЦИФ-Я)(№-) РАМА И ЧАСТИ КОРПУСА
1
2
3
3
4
5
6
7
8
9
10
11
12
13
14
15
15
16
17
17
18
18
19
20
21
22
23
24
25
26
FIT
1:1
100%

Артикул

Название

Примечание

Количество

1

417-Z97-2510

FRAME,REAR

SN: 60001-UP

1шт.

2

416-46-12160

BUSHING

SN: 60001-UP

1шт.

3

07000-06150

O-RING

SN: 60001-UP

2шт.

4

417-46-27110

SUPPORT,REAR

SN: 60001-UP

1шт.

5

416-46-12160

BUSHING

SN: 60001-UP

1шт.

6

07000-06150

O-RING

SN: 60001-UP

1шт.

7

416-46-12152

PLATE

SN: 60001-UP

1шт.

8

01010-61250

BOLT

SN: 60001-UP

8шт.

9

01643-31232

WASHER

SN: 60001-UP

8шт.

10

416-46-12142

COVER

SN: 60001-UP

1шт.

11

416-46-12170

SHIM¤ 0.2MM

SN: 60001-UP

-2шт.

12

01010-61255

BOLT

SN: 60001-UP

8шт.

13

01643-31232

WASHER

SN: 60001-UP

8шт.

14

01011-62030

BOLT

SN: .-UP

4шт.

|14

01011-32030

BOLT

SN: 60001-.

4шт.

15

01643-32060

WASHER

SN: 60001-UP

8шт.

16

01580-02016

NUT

SN: 60001-UP

4шт.

17

417-46-24120

COVER

SN: 60001-UP

2шт.

18

01435-01225

BOLT

SN: 60001-UP

4шт.

19

417-46-24110

BAR,LOCK

SN: 60001-UP

1шт.

20

416-46-12230

PIN

SN: 60001-UP

1шт.

21

04050-18055

PIN,COTTER

SN: 60001-UP

1шт.

22

416-46-12230

PIN

SN: 60001-UP

1шт.

23

415-46-11360

PIN,SNAP

SN: 60007-UP

1шт.

|23

0

PIN,SNAP

SN: 60001-60006

1шт.

24

416-46-11210

BUMPER

SN: 60001-UP

2шт.

25

01010-51225

BOLT

SN: 60001-UP

2шт.

26

01643-31232

WASHER

SN: 60001-UP

2шт.

Выбрано товаров: 0