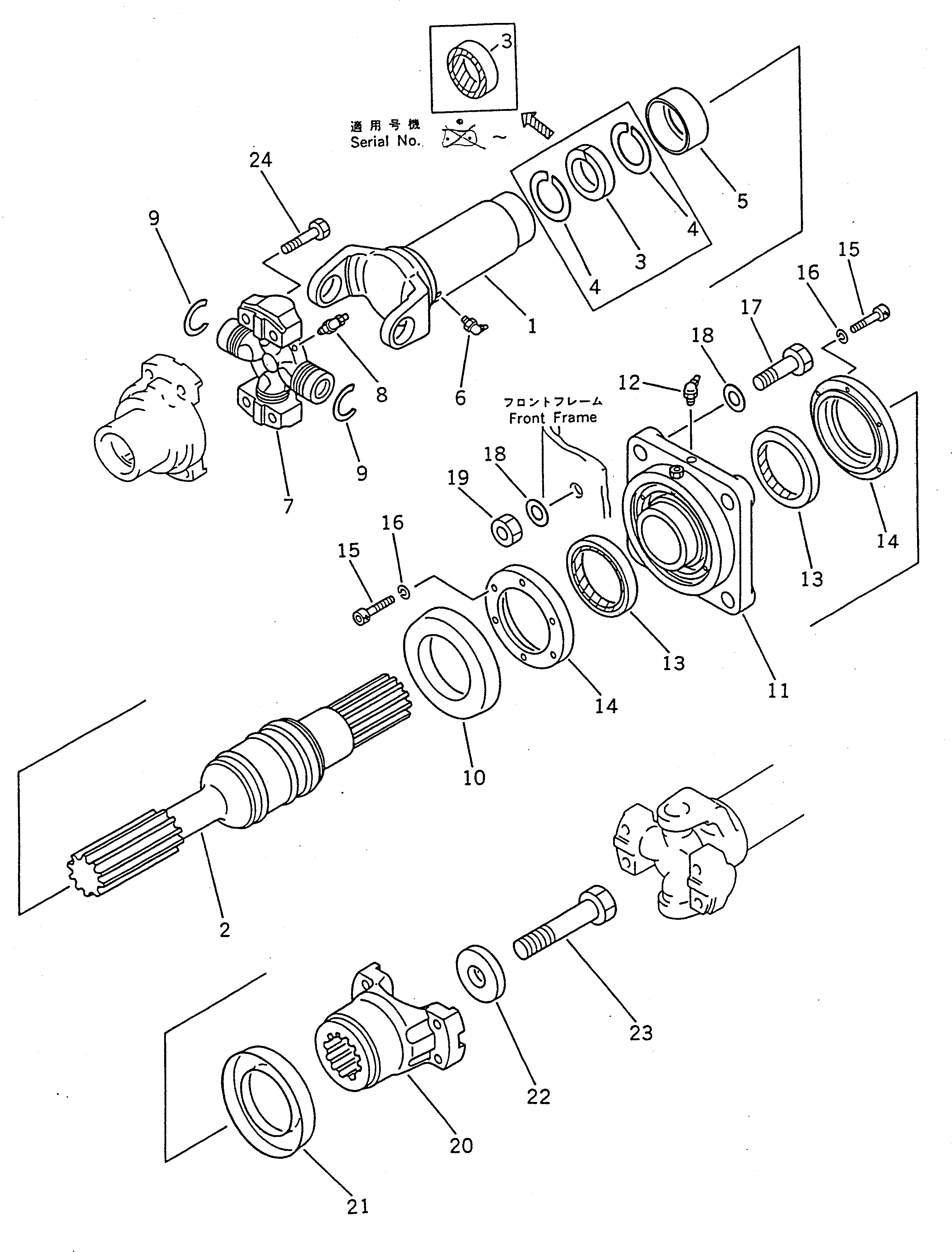
Запчасти Komatsu WA180-1 ВЕДУЩ. ВАЛ (ПЕРЕДН.) ВЕДУЩ. ВАЛ¤ ДИФФЕРЕНЦ. И КОЛЕСА

Схема запчастей Komatsu WA180-1 - ВЕДУЩ. ВАЛ (ПЕРЕДН.) ВЕДУЩ. ВАЛ¤ ДИФФЕРЕНЦ. И КОЛЕСА
FIT
1:1
100%

Артикул

Название

Примечание

Количество

|$0

417-20-13081

DRIVE SHAFT ASS'Y,FRONT (WA180-1P, TBG/ABE)

SN: 10001-UP

1шт.

|$1

417-20-13181

DRIVE SHAFT,(WA180-1A, 1M)

SN: 10001-UP

1шт.

|$2

0

DRIVE SHAFT,(WA180-1 TBG/ABE)

SN: (10001-10306)

1шт.

|$3

417-20-13681

SHAFT ASS'Y

SN: 10001-UP

1шт.

|$4

0

SHAFT ASS'Y

SN: (10001-10306)

1шт.

1

0

YOKE

SN: 10307-UP

1шт.

1

0

YOKE

SN: 10001-10306

1шт.

1

0

YOKE,(WA180-1P)

SN: 10319-UP

1шт.

1

0

YOKE,(WA180-1P)

SN: 10001-10318

1шт.

1

0

YOKE,(WA180-1 TBG/ABE)

SN: 10321-UP

1шт.

1

0

YOKE,(WA180-1 TBG/ABE)

SN: 10001-10320

1шт.

2

0

SHAFT

SN: 10307-UP

1шт.

2

0

SHAFT

SN: 10001-10306

1шт.

3

417-20-12740

SEAL,OIL

SN: 10001-UP

1шт.

3

0

SEAL,OIL

SN: (10001-10306)

1шт.

4

417-20-12670

RETAINER

SN: 10001-10306

2шт.

5

417-20-12680

COVER

SN: 10001-UP

1шт.

6

417-20-12640

FITTING,GREASE

SN: 10001-UP

1шт.

7

417-20-12620

SPIDER ASS'Y

SN: 10001-UP

1шт.

8

417-20-12640

FITTING,GREASE

SN: 10001-UP

1шт.

9

417-20-12690

RING,SNAP

SN: 10001-UP

2шт.

10

416-20-13530

DEFLECTOR

SN: 10001-UP

1шт.

11

416-20-15111

BEARING ASS'Y

SN: 10001-UP

1шт.

12

416-20-15660

FITTING,GREASE

SN: 10001-UP

1шт.

13

416-20-15620

SEAL

SN: 10001-UP

2шт.

14

416-20-15630

COVER

SN: 10001-UP

2шт.

15

01252-40520

BOLT

SN: 10001-UP

12шт.

16

01601-20513

WASHER,SPRING

SN: 10001-UP

12шт.

17

01010-31455

BOLT

SN: 10001-UP

4шт.

18

01643-31445

WASHER

SN: 10001-UP

8шт.

19

01580-01411

NUT

SN: 10001-UP

4шт.

|$31

417-20-13030

COUPLING ASS'Y

SN: 10001-UP

1шт.

20

0

COUPLING

SN: 10001-UP

1шт.

21

416-20-13530

DEFLECTOR

SN: 10001-UP

1шт.

22

416-20-13520

HOLDER

SN: 10001-UP

1шт.

23

01011-61610

BOLT

SN: 10001-UP

1шт.

24

01050-61045

BOLT

SN: 10001-UP

4шт.

Выбрано товаров: 37