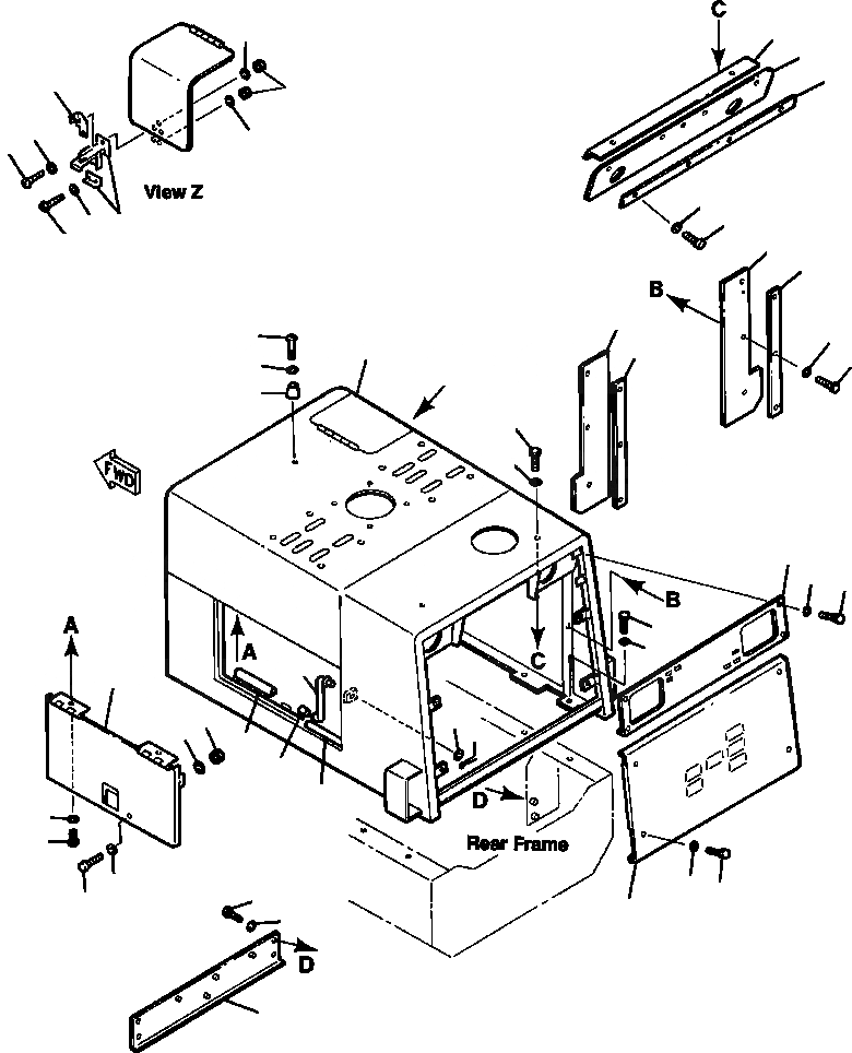
Запчасти Komatsu WA180-1LC КАПОТ И БОКОВ. КРЫШКА РАМА

Схема запчастей Komatsu WA180-1LC - КАПОТ И БОКОВ. КРЫШКА РАМА
10
7
13
14
2
6
5
7
3
16
15
2
5
4
17
18
17
20
9
18
1
19
2
8
11
12
24
26
25
39
34
27
30
36
29
33
35
33
32
29
23
22
28
41
21
42
40
31
9A
37
38
FIT
1:1
100%

Артикул

Название

Примечание

Количество

1

417-54-A1310

HOOD, ENGINE

1шт.

|$1

417-963-2631

HOOD, ENGINE

1шт.

2

424-09-12490

HOLDER

1шт.

3

01220-40412

SCREW

3шт.

4

01220-40416

SCREW

2шт.

5

01641-20405

WASHER

5шт.

6

01580-10403

NUT

5шт.

7

01601-20410

WASHER, SPRING

5шт.

8

418-60-15150

BUMPER, RUBBER

1шт.

9

01220-40630

SCREW

1шт.

9A

01602-20619

WASHER

1шт.

10

417-54-11570

PLATE

1шт.

11

01010-51220

BOLT

2шт.

12

01643-31232

WASHER

2шт.

13

417-54-11232

SEAT

1шт.

14

417-54-11222

PLATE

1шт.

15

01010-50820

BOLT

4шт.

16

01643-30823

WASHER

4шт.

17

417-54-11321

SHEET

2шт.

18

417-54-11251

PLATE

2шт.

19

01010-50820

BOLT

6шт.

20

01643-30823

WASHER

6шт.

21

416-54-11951

GRILLE

1шт.

22

01010-51220

BOLT

4шт.

23

01643-31232

WASHER

4шт.

24

417-54-11183

COVER

1шт.

25

01010-50816

BOLT

4шт.

26

01643-30823

WASHER

4шт.

27

417-54-13850

DOOR, L.H

1шт.

27

417-54-13860

DOOR, R.H

1шт.

28

01010-50610

BOLT

4шт.

29

01643-30623

WASHER

4шт.

30

01580-10605

NUT

4шт.

31

01010-51220

BOLT

4шт.

32

01643-31232

WASHER

4шт.

33

417-54-11270

SHEET

4шт.

34

416-54-11840

ROD

2шт.

35

416-54-11171

HOSE

2шт.

36

01641-21016

WASHER

2шт.

37

04050-12015

PIN, COTTER

2шт.

38

01010-51230

BOLT

8шт.

39

01643-31232

WASHER

8шт.

40

416-Z90-A010

PLATE

1шт.

41

01010-51020

BOLT

4шт.

42

01643-31032

WASHER

4шт.

|$50

-1шт.

|$46

F1 - ON MACHINES NOT EQUIPPED WITH AIR CONDITIONING.

-1шт.

|$51

-1шт.

|$52

-1шт.

|$49

F2 - ON MACHINES EQUIPPED WITH AIR CONDITIONING.

-1шт.

|$53

-1шт.

Выбрано товаров: 0