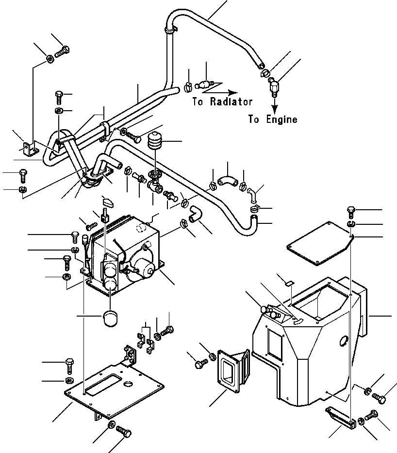
Запчасти Komatsu WA180-1LC ГИДР. ПРОВОД. ОБОГРЕВАТЕЛЯ KOMATSU - заводской номер A7 THRU A7 РАМА

Схема запчастей Komatsu WA180-1LC - ГИДР. ПРОВОД. ОБОГРЕВАТЕЛЯ KOMATSU - заводской номер A7 THRU A7 РАМА
35
48
49
31
36
41
38
40
45
42
46
44
43
47
34
37
35
38
38
51
39
53
31
52
31
32
54
50
2
38
33
23
32
3
40
24
8
22
30
31
6
29
7
28
15
1
26
27
14
4
25
18
17
10
24
23
11
16
5
20
19
21
13
12
2A
9
FIT
1:1
100%

Артикул

Название

Примечание

Количество

1

HEATER ASSEMBLY (SEE PG 05-092)

-29шт.

2

416-942-1761

ROD, CONTROL LEVER

1шт.

2A

LEVER, CONTROL (SEE PG 05-092)

-29шт.

3

01235-40308

SCREW, CONTROL LEVER ROD

1шт.

4

416-942-1630

CAP

1шт.

5

416-942-1452

PLATE, HEATER CASE - BOTTOM

1шт.

6

01010-51025

BOLT, HEATER TO BOTTOM PLATE

2шт.

7

01643-31032

WASHER

2шт.

8

01010-50612

BOLT, HEATER TO BOTTOM PLATE

2шт.

9

01602-20619

WASHER, LOCK

2шт.

10

01010-51035

BOLT, BOTTOM PLATE

2шт.

11

01643-31032

WASHER

2шт.

12

01010-51020

BOLT, BOTTOM PLATE

2шт.

13

01643-31032

WASHER

2шт.

14

416-942-1411

CASE, HEATER

1шт.

15

SWITCH, HEATER (SEE PG 05-092)

-29шт.

16

416-942-1431

DUCT, HEATER

1шт.

17

01010-50612

BOLT, HEATER DUCT

4шт.

18

01602-20619

WASHER, LOCK

4шт.

19

416-942-1460

BRACKET, TOP PLATE MOUNTING

1шт.

20

01010-50612

BOLT, BRACKET TO CASE

2шт.

21

01602-20619

WASHER, LOCK

2шт.

22

416-942-1421

PLATE, HEATER CASE - TOP

1шт.

23

01010-50616

BOLT, TOP PLATE AND HEATER CASE

5шт.

24

01602-20619

WASHER, LOCK

5шт.

25

416-942-1521

PLATE, TENSION

2шт.

26

01010-50612

BOLT, TENSION PLATE

4шт.

27

01602-20619

WASHER, LOCK

4шт.

28

416-942-1810

PRODUCT GRAPHIC, HEATER VENT CONTROL

1шт.

29

416-942-1791

PRODUCT GRAPHIC, HEATER FAN CONTROL

1шт.

|$61

-1шт.

|$31

LINE - ENGINE TO HEATER:

-1шт.

30

09483-30550

HOSE, ELBOW - AT HEATER

1шт.

31

07281-00259

CLAMP, HEATER HOSE

4шт.

32

416-942-1560

CONNECTOR, HEATER SHUT-OFF VALVE

2шт.

33

416-942-1510

VALVE, WATER SHUT-OFF

1шт.

34

416-942-1580

BOOT, SHUT-OFF VALVE

1шт.

35

09483-10533

HOSE, HEATER TO ENGINE

1шт.

36

416-942-1543

ELBOW, AT ENGINE

1шт.

|$62

-1шт.

|$40

LINE - HEATER TO RADIATOR:

-1шт.

37

09483-30550

HOSE, ELBOW - AT HEATER

1шт.

38

07281-00259

CLAMP, HEATER HOSE

4шт.

39

416-942-1550

ELBOW

1шт.

40

09483-10529

HOSE, HEATER TO RADIATOR

1шт.

41

416-942-1560

CONNECTOR, AT RADIATOR

1шт.

|$63

-1шт.

|$47

LINE HOLDING DEVICES:

-1шт.

42

421-07-11760

CLIP, HEATER HOSES

2шт.

43

01010-51220

BOLT

1шт.

44

01643-31232

WASHER

1шт.

45

01010-51020

BOLT

1шт.

46

01643-31032

WASHER

1шт.

47

416-942-1860

BRACKET, HOSE CLIP MOUNTING

1шт.

48

01010-51225

BOLT, MOUNT BRACKET

1шт.

49

01643-31233

WASHER

1шт.

50

416-942-A410

PLATE

1шт.

51

01010-50612

BOLT, PLATE

2шт.

52

01602-20619

WASHER, LOCK

2шт.

53

416-942-1530

GROMMET

1шт.

54

08034-00823

STRAP, TIE

1шт.

Выбрано товаров: 0