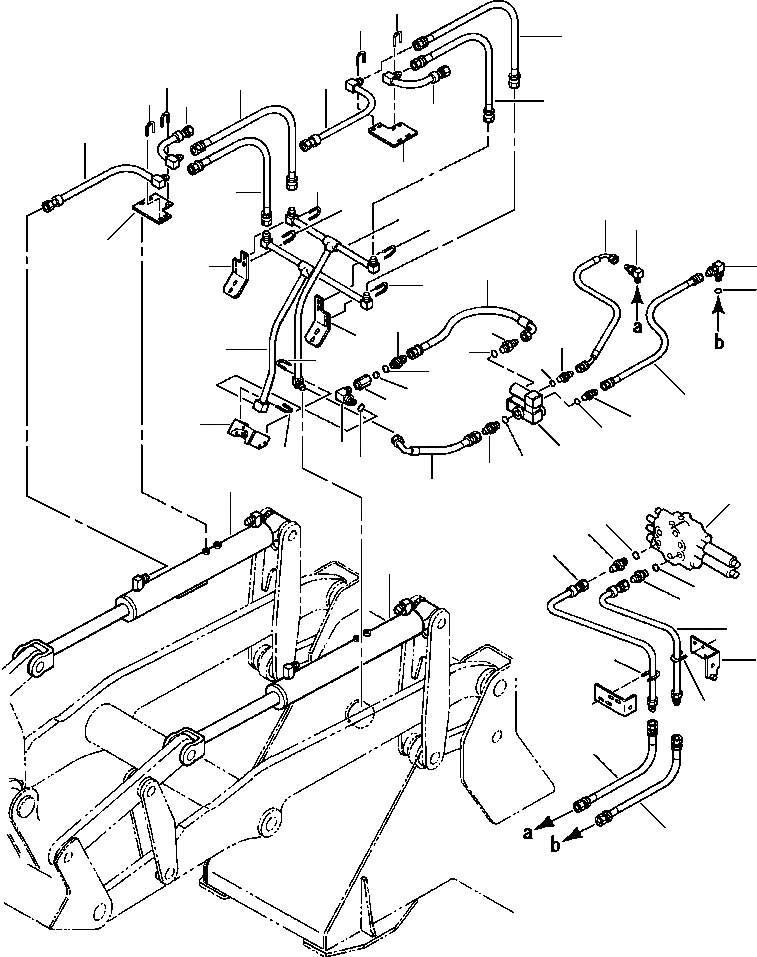
Запчасти Komatsu WA180-1LC ГИДРОЛИНИЯ УПРАВЛЯЮЩ. КЛАПАН - ГИДРОЦИЛИНДР КОВША - MACHINES С PARALLEL ИНСТРУМЕНТ НЕСУЩИЙ ЭЛЕМЕНТ УПРАВЛ-Е РАБОЧИМ ОБОРУДОВАНИЕМ

Схема запчастей Komatsu WA180-1LC - ГИДРОЛИНИЯ УПРАВЛЯЮЩ. КЛАПАН - ГИДРОЦИЛИНДР КОВША - MACHINES С PARALLEL ИНСТРУМЕНТ НЕСУЩИЙ ЭЛЕМЕНТ УПРАВЛ-Е РАБОЧИМ ОБОРУДОВАНИЕМ
43
43
39
43
41
39
43
40
39
40
41
42
38
39
38
23
10
9
22
38
42
13
37
25
38
14
26
11
36
32
24
12
34
27
28
15
29
16
33
17
30
18
35
20
31
19
44
21
1
3
2
4
44
3
2
5
7
6
1
7
8
8
FIT
1:1
100%

Артикул

Название

Примечание

Количество

1

VALVE, 3-SPOOL (SEE PG 06-020)

-29шт.

2

07230-20628

UNION

2шт.

3

07002-12434

O-RING

2шт.

4

417-62-13351

TUBE

1шт.

5

417-62-13371

TUBE

1шт.

6

SUPPORT (SEE PG 06-058)

-29шт.

7

07283-32738

U-BOLT

2шт.

|$7

426-09-11160

NUT

4шт.

|$8

01643-31032

WASHER

4шт.

8

417-U77-1410

HOSE

2шт.

9

41E-35-11381

ELBOW

1шт.

10

417-U77-1610

HOSE

1шт.

11

23S-61-24120

UNION

1шт.

12

07000-12011

O-RING

1шт.

13

07235-10210

ELBOW

1шт.

14

07002-11423

O-RING

1шт.

15

417-U77-1590

HOSE

1шт.

16

23S-61-24120

UNION

1шт.

17

07000-12011

O-RING

1шт.

18

23S-60-16303

VALVE ASSEMBLY, PILOT SOLENOID

1шт.

|$20

01010-80860

BOLT, VALVE MOUNTING

2шт.

|$21

01643-30823

WASHER

2шт.

19

22W-62-13110

NIPPLE

1шт.

20

22W-62-13420

O-RING

1шт.

21

417-U77-1580

HOSE

1шт.

22

417-U77-1431

TUBE, LH

1шт.

23

22W-62-13110

NIPPLE

1шт.

24

22W-62-13420

O-RING

1шт.

25

416-62-23380

HOSE

1шт.

26

417-62-13720

NIPPLE

1шт.

27

07002-13034

O-RING

1шт.

28

417-U77-1640

VENT

1шт.

29

417-62-13580

COUPLER

1шт.

30

07235-10628

ELBOW

1шт.

31

07002-12434

O-RING

1шт.

32

417-U77-1421

TUBE, RH

1шт.

33

417-U77-1441

BRACKET

1шт.

|$37

01435-01225

BOLT, MOUNTING BRACKET

2шт.

34

07283-32738

U-BOLT, LH TUBE CLAMPING

1шт.

|$39

01643-31032

WASHER

2шт.

|$40

01597-01009

NUT

2шт.

35

07283-33442

U-BOLT, RH TUBE CLAMPING

1шт.

|$42

01643-31032

WASHER

2шт.

|$43

01597-01009

NUT

2шт.

36

417-U77-1450

BRACKET, LH

1шт.

|$45

01435-01225

BOLT, MOUNTING BRACKET

2шт.

37

417-U77-1460

BRACKET, RH

1шт.

|$47

01435-01225

BOLT, MOUNTING BRACKET

2шт.

38

07283-32738

U-BOLT, TUBE CLAMPING

4шт.

|$49

01643-31032

WASHER

8шт.

|$50

01597-01009

NUT

8шт.

39

07123-00611

HOSE

4шт.

40

417-U77-1510

TUBE, HEAD END

2шт.

41

417-U77-1520

TUBE, ROD END

2шт.

42

417-U77-1470

BRACKET

2шт.

|$55

01435-01020

BOLT, MOUNTING BRACKET

4шт.

43

07283-32738

U-BOLT, TUBE CLAMPING

4шт.

|$57

01643-31032

WASHER

8шт.

|$58

01597-01009

NUT

8шт.

44

CYLINDER ASSEMBLY, DUMP (SEE PG 07-006)

-29шт.

Выбрано товаров: 60