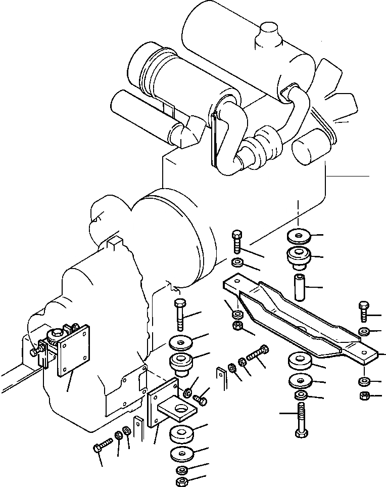
Запчасти Komatsu WA180-1LC ДВИГАТЕЛЬ И ЭЛЕМЕНТЫ КРЕПЛЕНИЯ КОМПОНЕНТЫ ДВИГАТЕЛЯ & ЭЛЕКТРИКА

Схема запчастей Komatsu WA180-1LC - ДВИГАТЕЛЬ И ЭЛЕМЕНТЫ КРЕПЛЕНИЯ КОМПОНЕНТЫ ДВИГАТЕЛЯ & ЭЛЕКТРИКА
13
18
12
19
16
19
6
18
19
5
20
4
17
12
3
9
10
19
13
2
11
20
1
15
14
4
5
1
11
10
8
9
7
21
FIT
1:1
100%

Артикул

Название

Примечание

Количество

1

417-14-11110

BRACKET, TRANSMISSION MOUNTING

2шт.

2

01010-31650

BOLT, MOUNT BRACKET

8шт.

3

01643-31645

WASHER

8шт.

4

417-01-11130

CUSHION ASSEMBLY, TRANSMISSION

-1шт.

5

419-01-11161

WASHER

4шт.

6

01011-32230

BOLT, MOUNT CUSHION

2шт.

7

417-01-11120

NUT

2шт.

8

01643-32260

WASHER

2шт.

9

01016-31260

BOLT

4шт.

10

01580-01210

NUT

4шт.

11

01643-31232

WASHER

4шт.

12

417-01-11130

CUSHION ASSEMBLY, ENGINE MOUNT

1шт.

13

419-01-11162

WASHER

2шт.

14

02011-51014

BOLT, MOUNT CUSHION

1шт.

15

01643-31645

WASHER

1шт.

16

418-01-A1750

SPACER

1шт.

17

418-01-A1740

SUPPORT, FRONT ENGINE MOUNT

1шт.

18

01010-31660

BOLT, MOUNT SUPPORT

2шт.

19

01643-31645

WASHER

4шт.

20

01580-01613

NUT

2шт.

21

417-01-A1110

ENGINE ASSEMBLY, 610T

1шт.

|$23

-1шт.

|$22

F1 - FOR SERVICE PARTS, SEE SECTION E.

-1шт.

|$24

-1шт.

Выбрано товаров: 24