Запчасти Komatsu WA180-1LC ЭЛЕКТРИКА ЗАДН. КОМПОНЕНТЫ ДВИГАТЕЛЯ & ЭЛЕКТРИКА

Схема запчастей Komatsu WA180-1LC - ЭЛЕКТРИКА ЗАДН. КОМПОНЕНТЫ ДВИГАТЕЛЯ & ЭЛЕКТРИКА
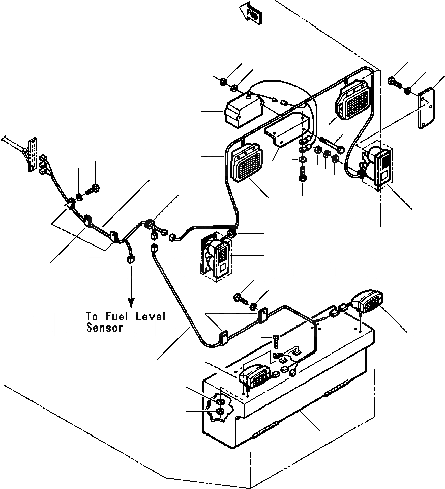
6
21
22
7
5
16
8
20
12
9
19
13
17
2
3
10
4
14
18
8
1
15
1
11
26
27
25
23
28
23
24
29
30
31
FIT
1:1
100%

Артикул

Название

Примечание

Количество

1

417-06-13510

LIGHT, REAR COMBINATION

2шт.

|$1

417-06-13580

HOUSING

1шт.

|$2

417-06-13520

LENS

1шт.

|$3

08104-12420

BULB 25/10W

1шт.

|$4

08105-12420

BULB 26W

1шт.

|$5

417-06-13570

GASKET

1шт.

|$6

417-06-13560

SCREW

2шт.

2

01580-10605

NUT

4шт.

3

01602-20619

WASHER, SPRING

4шт.

4

01642-20608

WASHER

4шт.

5

417-06-13730

COVER

2шт.

6

01010-50612

BOLT

6шт.

7

01643-30623

WASHER

6шт.

8

WORK LAMP ASSEMBLY (SEE PG 01-078)

-29шт.

9

417-06-12621

HARNESS, REAR LIGHTS

1шт.

10

417-06-12821

HARNESS, ENGINE HARNESS TO REAR LIGHT HARNESS

1шт.

11

08036-01414

CLIP

3шт.

12

01010-31020

BOLT

3шт.

13

01643-31032

WASHER

3шт.

14

08037-03614

GROMMET

1шт.

15

08037-02512

GROMMET

2шт.

16

08164-00000

ALARM, BACK-UP

1шт.

17

417-Z25-1110

PLATE, MOUNT BACK-UP ALARM

1шт.

18

01010-50820

BOLT, BACK-UP ALARM MOUNTING PLATE

2шт.

19

01643-30823

WASHER

2шт.

20

01011-51000

BOLT, MOUNT BACK-UP ALARM

2шт.

21

426-43-19160

NUT

2шт.

22

01643-31032

WASHER

2шт.

23

417-06-13122

LIGHT, BACK-UP

2шт.

|$29

08021-00400

CONNECTOR

1шт.

|$30

08110-12410

BULB

1шт.

|$31

417-06-13131

LENS

1шт.

24

417-06-12312

HARNESS, BACK-UP LIGHT

1шт.

25

08036-01414

CLIP, BACK-UP LIGHT HARNESS

2шт.

26

01010-31020

BOLT, BACK-UP LIGHT HARNESS CLIP

2шт.

27

01643-31032

WASHER

2шт.

28

01220-40416

SCREW, BACK-UP LIGHT GROUND

1шт.

29

01642-20405

WASHER

1шт.

30

01580-10403

NUT

1шт.

31

BATTERY BOX (SEE PG 01-046)

-29шт.

Выбрано товаров: 40