Запчасти Komatsu WA180-3 ТОПЛИВН. БАК.(№-) КОМПОНЕНТЫ ДВИГАТЕЛЯ И ЭЛЕКТРИКА

Схема запчастей Komatsu WA180-3 - ТОПЛИВН. БАК.(№-) КОМПОНЕНТЫ ДВИГАТЕЛЯ И ЭЛЕКТРИКА
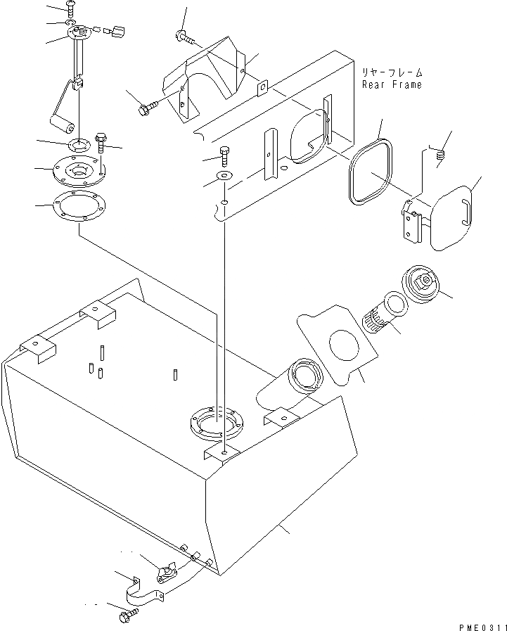
1
2
3
4
5
6
7
8
9
10
11
12
13
14
15
16
17
18
19
20
21
22
FIT
1:1
100%

Артикул

Название

Примечание

Количество

1

417-04-21111

TANK

SN: 50001-UP

1шт.

2

423-04-11362

CAP

SN: 50001-UP

1шт.

2

417-04-21230

PACKING

SN: 50001-UP

1шт.

3

07056-18416

STRAINER

SN: 50001-UP

1шт.

4

416-04-10150

COVER

SN: 50001-UP

1шт.

5

421-04-11191

GASKET

SN: 50001-UP

1шт.

6

01435-01020

BOLT

SN: 50001-UP

6шт.

7

417-04-10131

SENSOR,LEVEL

SN: 50001-UP

1шт.

8

419-04-10140

GASKET

SN: 50001-UP

1шт.

9

01220-40512

SCREW

SN: 50001-UP

5шт.

10

01601-20513

WASHER,SPRING

SN: 50001-UP

5шт.

11

363-04-11130

VALVE,DRAIN

SN: 50001-UP

1шт.

12

417-04-10140

COVER

SN: 50001-UP

1шт.

13

01435-00816

BOLT

SN: 50001-UP

2шт.

14

01010-51235

BOLT

SN: 50001-UP

4шт.

15

175-54-34170

WASHER

SN: 50001-UP

4шт.

16

417-04-21130

COVER

SN: 50001-UP

1шт.

17

01435-01020

BOLT

SN: 50001-UP

2шт.

18

417-04-21171

COVER

SN: 50001-UP

1шт.

19

09467-00006

SPRING

SN: 50001-UP

1шт.

20

417-04-21210

FINISHER

SN: 50001-UP

1шт.

21

01435-01020

BOLT

SN: 50001-UP

2шт.

22

417-04-21220

RUBBER

SN: 50001-UP

1шт.

Выбрано товаров: 23