Запчасти Komatsu WA180-3 ПЕРЕДН. КРЫЛО(№-) РАМА И ЧАСТИ КОРПУСА

Схема запчастей Komatsu WA180-3 - ПЕРЕДН. КРЫЛО(№-) РАМА И ЧАСТИ КОРПУСА
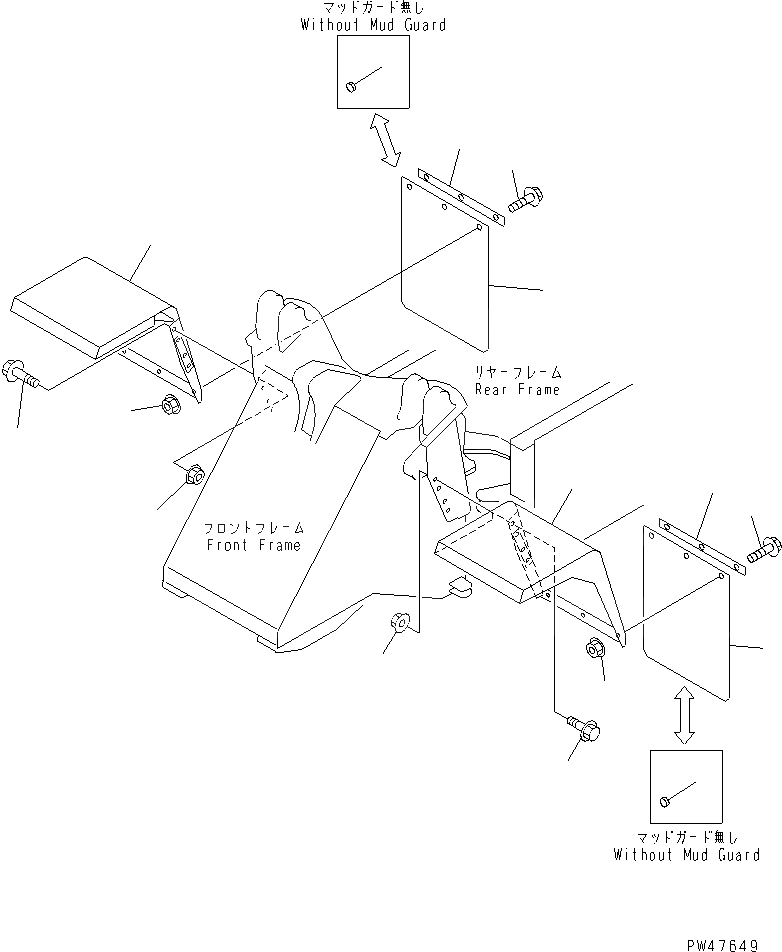
1
2
3
3
4
4
5
5
6
6
7
7
8
8
9
9
FIT
1:1
100%

Артикул

Название

Примечание

Количество

1

417-54-24130

FENDER,L.H.

SN: 50001-UP

1шт.

2

417-54-24120

FENDER,R.H.

SN: 50001-UP

1шт.

3

09415-01008

CAP,(WITHOUT MAD GUARD)

SN: 50001-UP

6шт.

4

01435-01230

BOLT

SN: 50001-UP

8шт.

5

01584-01210

NUT

SN: 50001-UP

8шт.

6

417-54-24510

SHEET

SN: 50001-UP

2шт.

7

417-54-24520

PLATE

SN: 50001-UP

2шт.

8

01435-01225

BOLT

SN: 50001-UP

6шт.

9

01584-01210

NUT

SN: 50001-UP

6шт.

Выбрано товаров: 9