Запчасти Komatsu WA180-3 ТРАНСМИССИЯ (КОРПУС ТРАНСМИССИИ) (/)(№-) ТРАНСМИССИЯ

Схема запчастей Komatsu WA180-3 - ТРАНСМИССИЯ (КОРПУС ТРАНСМИССИИ) (/)(№-) ТРАНСМИССИЯ
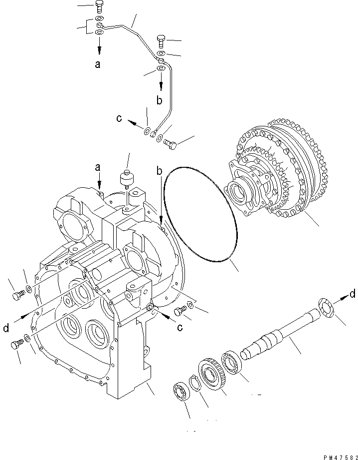
1
2
3
4
4
4
5
5
5
5
5
6
7
8
9
9
10
11
12
13
14
15
16
17
18
FIT
1:1
100%

Артикул

Название

Примечание

Количество

|$0

714-11-10000

TRANSMISSION ASS'Y

SN: 50001-UP

1шт.

|$$2

THIS ASSEMBLY CONSISTS OF ALL PARTS SHOWN IN FIGS.2201 TO 2271.

-1шт.

1

714-11-11121

CASE

SN: 50001-UP

1шт.

2

07030-00252

BREATHER

SN: 50001-UP

1шт.

3

714-11-18891

TUBE

SN: 50001-UP

1шт.

4

07206-30710

BOLT,JOINT

SN: 50001-UP

3шт.

5

07005-01012

SEAL, WASHER

SN: 50001-UP

6шт.

6

711-58-00300

TORQUE CONVERTER A.

SN: 50001-UP

1шт.

7

01010-61280

BOLT

SN: 50001-UP

3шт.

8

01010-31235

BOLT

SN: 50001-UP

2шт.

9

01643-31232

WASHER

SN: 50001-UP

5шт.

10

714-11-14510

SHAFT,INPUT

SN: 50001-UP

1шт.

11

419-15-12122

RING,SEAL

SN: 50001-UP

1шт.

12

06040-06210

BEARING

SN: 50001-UP

1шт.

13

714-11-14610

GEAR,INPUT

SN: 50001-UP

1шт.

14

04064-04818

RING,SNAP

SN: 50001-UP

1шт.

15

06040-06207

BEARING,BALL

SN: 50001-UP

1шт.

16

424-13-11110

O-RING

SN: 50001-UP

1шт.

17

01010-31030

BOLT

SN: 50001-UP

12шт.

18

01643-31032

WASHER

SN: 50001-UP

12шт.

Выбрано товаров: 20