Запчасти Komatsu WA180-3 КЛАПАН УПРАВЛЕНИЯ ТРАНСМИССИЕЙ (/) (ВЕРХНИЙ КЛАПАН)(№-) ТРАНСМИССИЯ

Схема запчастей Komatsu WA180-3 - КЛАПАН УПРАВЛЕНИЯ ТРАНСМИССИЕЙ (/) (ВЕРХНИЙ КЛАПАН)(№-) ТРАНСМИССИЯ
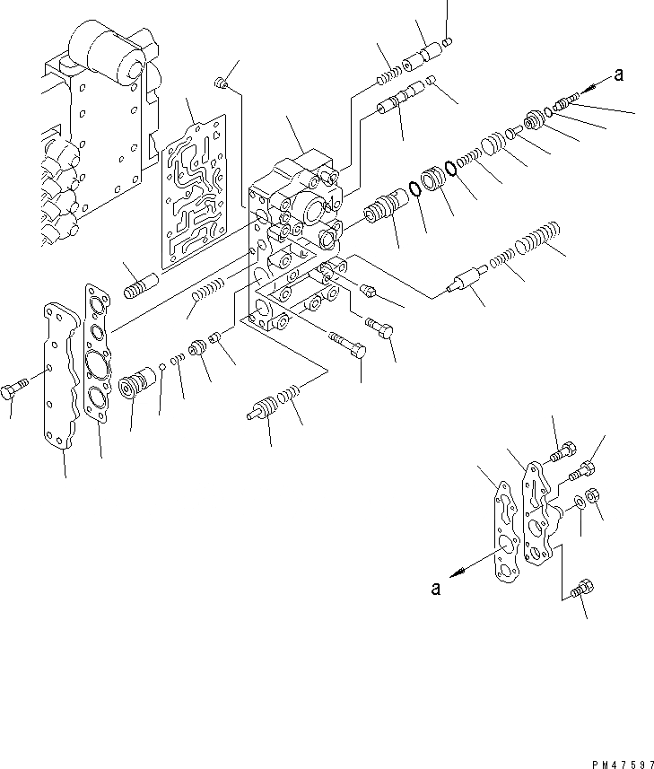
1
2
3
4
5
6
7
8
9
10
11
12
13
14
15
16
17
18
18
19
20
21
22
23
24
25
26
27
28
29
30
31
32
33
34
35
36
37
38
39
40
41
42
FIT
1:1
100%

Артикул

Название

Примечание

Количество

|$0

714-11-10000

TRANSMISSION ASS'Y

SN: 50001-UP

1шт.

|$$2

THIS ASSEMBLY CONSISTS OF ALL PARTS SHOWN IN FIGS.2201 TO 2271.

-1шт.

|$2

714-11-15010

CONTROL VALVE ASS'Y

SN: 50001-UP

1шт.

|$$4

THIS ASSEMBLY CONSISTS OF ALL PARTS SHOWN IN FIGS.2242 TO 2244.

-1шт.

|$4

714-11-15100

VALVE ASS'Y,UPPER

SN: 50001-UP

1шт.

1

419-15-15711

BODY,UPPER

SN: 50001-UP

1шт.

2

07042-30108

PLUG

SN: 50001-UP

3шт.

3

417-15-15842

ORIFICE

SN: 50001-UP

1шт.

4

419-15-15760

VALVE,PILOT

SN: 50001-UP

1шт.

5

419-15-15910

SPRING

SN: 50001-UP

1шт.

6

714-11-15311

VALVE,MAIN

SN: 50001-UP

1шт.

7

419-15-15830

PISTON

SN: 50001-UP

1шт.

8

419-15-15920

SPRING

SN: 50001-UP

1шт.

9

419-15-15780

VALVE,PRIORITY

SN: 50001-UP

1шт.

10

419-15-15820

PISTON

SN: 50001-UP

1шт.

11

419-15-15840

VALVE,QUICK RETURN

SN: 50001-UP

1шт.

12

04260-01270

BALL

SN: 50001-UP

1шт.

13

419-15-15510

SPRING

SN: 50001-UP

1шт.

14

419-15-15850

PLUG

SN: 50001-UP

1шт.

15

419-15-15640

PLUG

SN: 50001-UP

1шт.

16

419-15-15810

VALVE,MODULATE

SN: 50001-UP

1шт.

17

419-15-15860

SLEEVE

SN: 50001-UP

1шт.

18

07000-13035

O-RING

SN: 50001-UP

2шт.

19

419-15-15940

SPRING

SN: 50001-UP

1шт.

20

419-15-15980

RETAINER

SN: 50001-UP

1шт.

21

419-15-15930

SPRING

SN: 50001-UP

1шт.

22

419-15-15890

PLUG

SN: 50001-UP

1шт.

23

419-15-15790

VALVE,ACCUMULATOR

SN: 50001-UP

1шт.

24

419-15-15960

SPRING

SN: 50001-UP

1шт.

25

419-15-15870

SHAFT

SN: 50001-UP

1шт.

26

419-15-15970

SPRING

SN: 50001-UP

1шт.

27

419-15-15950

SPRING

SN: 50001-UP

1шт.

28

419-15-15730

COVER

SN: 50001-UP

1шт.

29

419-15-15751

GASKET

SN: 50001-UP

1шт.

30

01010-31030

BOLT

SN: 50001-UP

9шт.

31

419-15-15720

COVER

SN: 50001-UP

1шт.

32

419-15-15880

ROD,ADJUST

SN: 50001-UP

1шт.

33

07000-11009

O-RING

SN: 50001-UP

1шт.

34

01580-11008

NUT

SN: 50001-UP

1шт.

35

01643-31032

WASHER

SN: 50001-UP

1шт.

36

419-15-15741

GASKET

SN: 50001-UP

1шт.

37

01010-31030

BOLT

SN: 50001-UP

3шт.

38

01010-61040

BOLT

SN: 50001-UP

3шт.

39

01010-61050

BOLT

SN: 50001-UP

2шт.

40

419-15-16811

GASKET

SN: 50001-UP

1шт.

41

01010-60860

BOLT

SN: 50001-UP

1шт.

42

01010-60875

BOLT

SN: 50001-UP

1шт.

Выбрано товаров: 47