Запчасти Komatsu WA180-3 КАБИНА ROPS (ЭЛЕКТРИКА) (KOHAG)(№-) КАБИНА ОПЕРАТОРА И СИСТЕМА УПРАВЛЕНИЯ

Схема запчастей Komatsu WA180-3 - КАБИНА ROPS (ЭЛЕКТРИКА) (KOHAG)(№-) КАБИНА ОПЕРАТОРА И СИСТЕМА УПРАВЛЕНИЯ
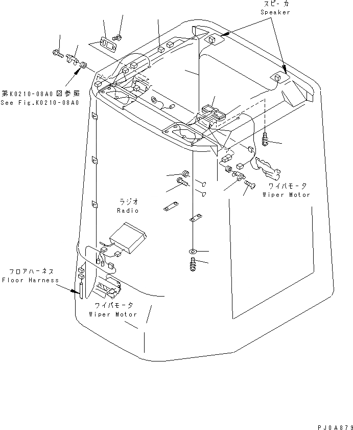
1
2
3
4
5
6
7
7
8
8
9
10
11
12
FIT
1:1
100%

Артикул

Название

Примечание

Количество

|$2

417-926-2302

ROPS CAB ASS'Y

SN: 54844-UP

1шт.

|$3

0

ROPS CAB ASS'Y

SN: 54001-54843

1шт.

|$$3

THIS ASSEMBLY CONSISTS OF ALL PARTS SHOWN IN FIGS.K0210-01A1 TO K0210-20A1A.

-1шт.

1

01023-70512

SCREW

SN: 53001-UP

8шт.

2

01642-40608

WASHER

SN: 53001-UP

8шт.

3

421-56-21420

PANEL,SWITCH

SN: 53001-UP

2шт.

4

01224-70516

SCREW

SN: 53001-UP

4шт.

5

421-06-26210

LAMP ASS'Y,ROOM

SN: 53001-UP

1шт.

5

421-06-26250

LENS

SN: 53001-UP

2шт.

5

421-06-26260

BULB, 10W

SN: 53001-UP

2шт.

6

01023-70512

SCREW

SN: 53001-UP

2шт.

7

421-56-21730

SWITCH,DOOR

SN: 53001-UP

2шт.

8

01220-70512

SCREW

SN: 53001-UP

2шт.

9

01220-70412

SCREW

SN: 53001-UP

1шт.

10

09415-00706

CAP

SN: 53001-UP

1шт.

11

418-926-2170

WIRING HARNESS

SN: 54001-UP

1шт.

12

417-56-21150

CABLE

SN: 53001-UP

1шт.

Выбрано товаров: 17