Запчасти Komatsu WA180-3 ЭЛЕКТРИКА (ВНУТРИ КАБИНЫ) КАБИНА ОПЕРАТОРА И СИСТЕМА УПРАВЛЕНИЯ

Схема запчастей Komatsu WA180-3 - ЭЛЕКТРИКА (ВНУТРИ КАБИНЫ) КАБИНА ОПЕРАТОРА И СИСТЕМА УПРАВЛЕНИЯ
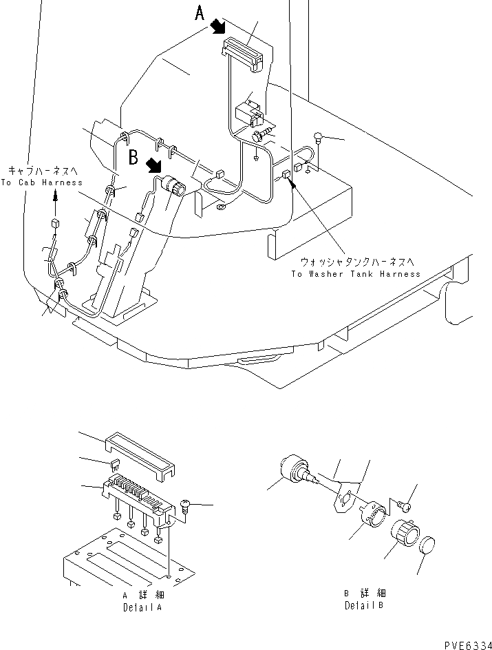
1
1
2
3
4
5
6
7
8
9
10
10
11
12
13
13
13
14
FIT
1:1
100%

Артикул

Название

Примечание

Количество

|$1

421-06-26110

SWITCH ASS'Y,WIPER

SN: 53001-UP

1шт.

1

421-06-26120

SWITCH

SN: 53001-UP

1шт.

2

421-06-26130

COLLAR

SN: 53001-UP

1шт.

3

421-06-26140

CAP

SN: 53001-UP

1шт.

4

421-06-26150

KNOB

SN: 53001-UP

1шт.

5

421-06-26160

SCREW

SN: 53001-UP

2шт.

6

421-06-26220

RELAY,WIPER

SN: 53001-UP

1шт.

7

01435-00612

BOLT

SN: 53001-UP

2шт.

8

417-06-26111

FUSE BOX ASS'Y,CAB

SN: 53001-UP

1шт.

9

283-06-16190

FUSE, 10A

SN: 53001-UP

7шт.

9

22W-06-13160

FUSE, 20A

SN: 53001-UP

4шт.

10

283-06-16120

COVER

SN: 53001-UP

1шт.

11

01023-70520

SCREW

SN: 53001-UP

2шт.

12

417-06-26120

WIRING HARNESS

SN: 53001-UP

1шт.

13

08034-20519

BAND

SN: 53001-UP

9шт.

14

363-54-32220

PLUG

SN: 53001-UP

4шт.

Выбрано товаров: 16