Запчасти Komatsu WA180-3 УПРАВЛЕНИЕ ПОГРУЗКОЙ (МЕХ-М УПРАВЛ-Я) (С 2-Х СЕКЦИОНН. УПРАВЛЯЮЩ. КЛАПАН)(№-) КАБИНА ОПЕРАТОРА И СИСТЕМА УПРАВЛЕНИЯ

Схема запчастей Komatsu WA180-3 - УПРАВЛЕНИЕ ПОГРУЗКОЙ (МЕХ-М УПРАВЛ-Я) (С 2-Х СЕКЦИОНН. УПРАВЛЯЮЩ. КЛАПАН)(№-) КАБИНА ОПЕРАТОРА И СИСТЕМА УПРАВЛЕНИЯ
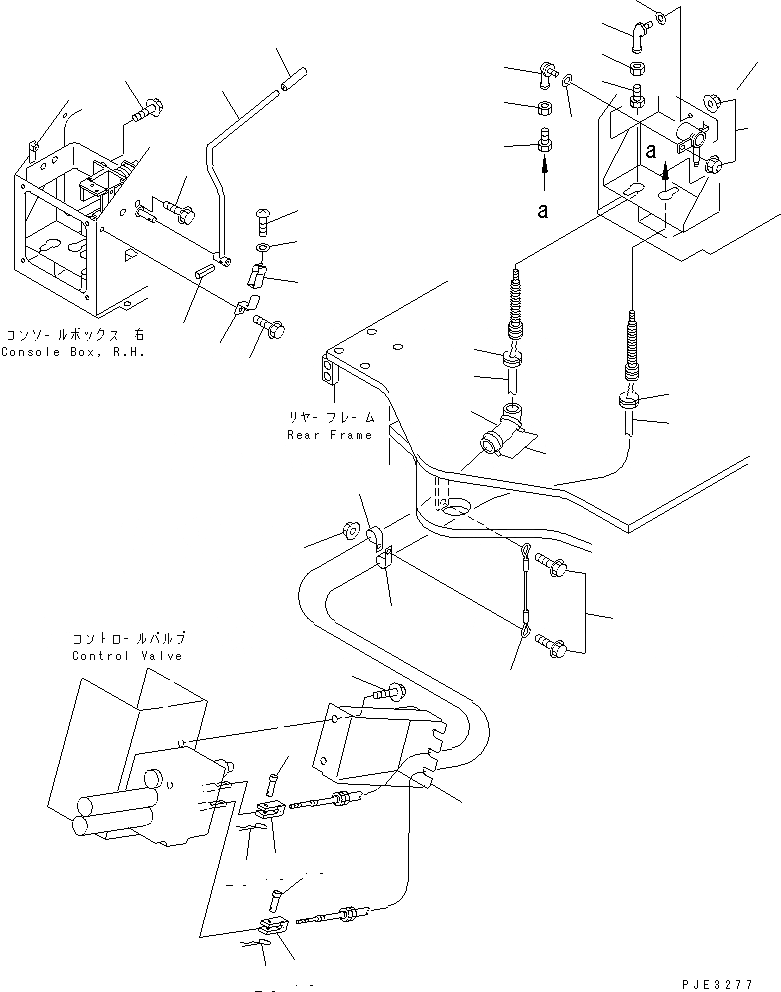
1
2
3
4
5
6
6
7
7
8
9
9
10
10
11
11
12
13
13
14
15
16
16
17
18
18
19
19
20
20
21
22
23
24
25
26
27
28
FIT
1:1
100%

Артикул

Название

Примечание

Количество

1

417-43-28160

LEVER

SN: 53001-54333

1шт.

2

417-43-28270

CAP

SN: 53001-54333

1шт.

3

01435-01016

BOLT

SN: 53001-54333

1шт.

4

01435-01025

BOLT

SN: 53001-54333

2шт.

5

04025-00520

PIN,SPRING

SN: 53001-54333

1шт.

6

04256-51025

JOINT,BALL

SN: 53001-54333

2шт.

7

01643-31032

WASHER

SN: 53001-54333

2шт.

8

01595-01008

NUT

SN: 53001-54333

2шт.

9

417-43-28220

JOINT

SN: 53001-54333

2шт.

10

01508-41006

NUT

SN: 53001-54333

2шт.

11

417-43-28171

CABLE

SN: 54193-54333

2шт.

11

417-43-28170

CABLE

SN: 53001-54192

2шт.

12

423-54-12740

INSULATOR

SN: 53001-54333

1шт.

13

417-43-28280

GROMMET

SN: 53001-54333

2шт.

14

421-54-11581

CABLE

SN: 53001-54333

1шт.

15

01435-01020

BOLT

SN: 53001-54333

2шт.

16

423-06-12640

CLIP

SN: 53001-54333

2шт.

17

01584-01008

NUT

SN: 53001-54333

1шт.

18

22D-43-14210

YOKE

SN: 53001-54333

2шт.

19

04205-10822

PIN

SN: 53001-54333

2шт.

20

04052-10833

PIN,SNAP

SN: 53001-54333

2шт.

21

417-43-28180

PLATE

SN: 53001-54333

1шт.

22

01435-01225

BOLT

SN: 53001-54333

2шт.

23

417-43-28250

PLATE

SN: 53001-54333

1шт.

24

08052-01311

CLIP

SN: 53001-54333

1шт.

25

01220-40610

SCREW

SN: 53001-54333

1шт.

26

01641-20608

WASHER

SN: 53001-54333

1шт.

27

01435-00812

BOLT

SN: 53001-54333

1шт.

28

08034-20519

BAND

SN: 53001-54333

2шт.

Выбрано товаров: 0