Запчасти Komatsu WA180-3 ЭЛЕКТРИКА (КОНТРОЛЛЕР ТРАНСМИССИИ И КОМПОНЕНТЫ) (KOHAG) ЭЛЕКТРИКА

Схема запчастей Komatsu WA180-3 - ЭЛЕКТРИКА (КОНТРОЛЛЕР ТРАНСМИССИИ И КОМПОНЕНТЫ) (KOHAG) ЭЛЕКТРИКА
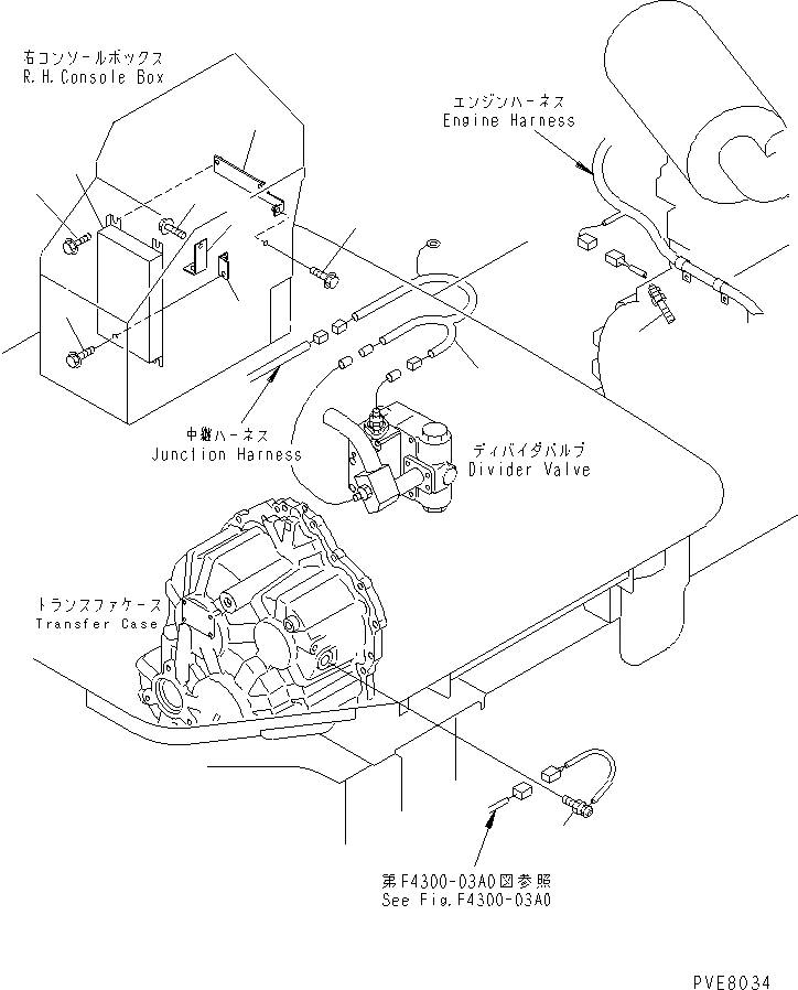
1
2
2
3
4
5
6
6
7
8
9
FIT
1:1
100%

Артикул

Название

Примечание

Количество

1

7823-13-6001

CONTROLLER ASS'Y,TRANSMISSION

SN: 54177-UP

1шт.

1

7823-13-6000

CONTROLLER ASS'Y,TRANSMISSION

SN: 53001-54176

1шт.

2

01435-00825

BOLT

SN: 53062-UP

3шт.

2

01435-00816

BOLT

SN: 53001-53061

3шт.

3

418-T33-2171

PLATE

SN: 53001-UP

1шт.

4

418-T33-2132

BRACKET

SN: 53001-UP

1шт.

5

418-T33-2160

PLATE

SN: 53001-UP

1шт.

6

01435-00816

BOLT

SN: 53001-UP

2шт.

7

7861-92-2330

SENSOR,PICK-UP

SN: 53001-UP

1шт.

8

7861-92-2330

SENSOR,PICK-UP

SN: 54001-UP

1шт.

8

418-T33-2151

SENSOR

SN: 53001-54000

1шт.

9

417-N24-2261

WIRING HARNESS

SN: 53062-UP

1шт.

9

417-N24-2260

WIRING HARNESS

SN: 53001-53061

1шт.

Выбрано товаров: 13