Запчасти Komatsu WA180-3 ГИДРОТРАНСФОРМАТОР И ТРАНСМИССИЯ ЛИНИЯ (С ANTI CLOG РАДИАТОР)(№-7) ТРАНСМИССИЯ

Схема запчастей Komatsu WA180-3 - ГИДРОТРАНСФОРМАТОР И ТРАНСМИССИЯ ЛИНИЯ (С ANTI CLOG РАДИАТОР)(№-7) ТРАНСМИССИЯ
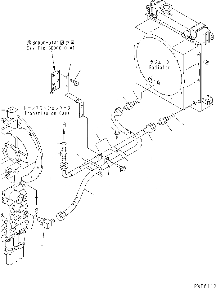
1
2
3
4
5
6
7
7
8
8
9
9
9
10
10
11
12
13
FIT
1:1
100%

Артикул

Название

Примечание

Количество

1

417-16-21150

HOSE

SN: 53001-54571

1шт.

2

419-15-14641

ELBOW

SN: 53001-54000

1шт.

3

07002-13334

O-RING

SN: 53001-54000

1шт.

4

07230-20628

UNION

SN: 53001-@

1шт.

5

07002-12434

O-RING

SN: 53001-@

1шт.

6

416-16-21110

HOSE

SN: 53001-54571

1шт.

7

07230-20628

UNION

SN: 53001-54571

2шт.

8

07002-12434

O-RING

SN: 53001-54571

2шт.

9

08036-93014

CLIP

SN: 53001-@

4шт.

10

01435-01016

BOLT

SN: 53001-@

3шт.

11

416-16-21181

BRACKET

SN: 53001-@

1шт.

12

01435-01020

BOLT

SN: 53001-@

2шт.

13

08034-20536

BAND

SN: 53001-@

1шт.

Выбрано товаров: 13