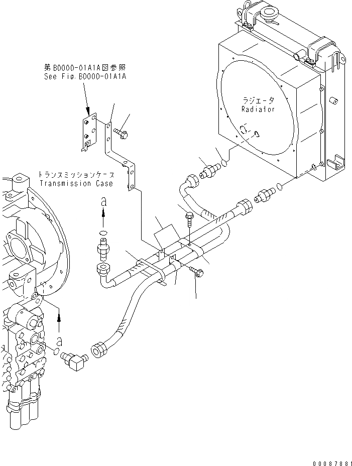
Запчасти Komatsu WA180-3 ГИДРОТРАНСФОРМАТОР И ТРАНСМИССИЯ ЛИНИЯ (С ANTI CLOG РАДИАТОР)(№7-) ТРАНСМИССИЯ

Схема запчастей Komatsu WA180-3 - ГИДРОТРАНСФОРМАТОР И ТРАНСМИССИЯ ЛИНИЯ (С ANTI CLOG РАДИАТОР)(№7-) ТРАНСМИССИЯ
1
2
3
3
3
4
4
5
6
7
FIT
1:1
100%

Артикул

Название

Примечание

Количество

1

07230-20628

UNION

SN: 53001-UP

1шт.

2

07002-12434

O-RING

SN: 53001-UP

1шт.

3

08036-93014

CLIP

SN: 53001-UP

4шт.

4

01435-01016

BOLT

SN: 53001-UP

3шт.

5

416-16-21181

BRACKET

SN: 53001-UP

1шт.

6

01435-01020

BOLT

SN: 53001-UP

2шт.

7

08034-20536

BAND

SN: 53001-UP

1шт.

Выбрано товаров: 0