Запчасти Komatsu WA180-3 ЗАДН. РАМА (С И ДОПОЛН. ПРОТИВОВЕС AND ДОПОЛН. ПРОТИВОВЕС) ОСНОВНАЯ РАМА И ЕЕ ЧАСТИ

Схема запчастей Komatsu WA180-3 - ЗАДН. РАМА (С И ДОПОЛН. ПРОТИВОВЕС AND ДОПОЛН. ПРОТИВОВЕС) ОСНОВНАЯ РАМА И ЕЕ ЧАСТИ
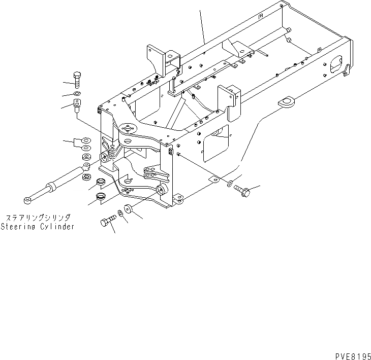
1
2
3
4
5
6
7
8
9
10
11
12
FIT
1:1
100%

Артикул

Название

Примечание

Количество

1

417-975-2280

FRAME,REAR

SN: 53001-UP

1шт.

2

417-46-22210

BUSHING

SN: 53001-UP

1шт.

3

417-46-22220

BUSHING

SN: 53001-UP

1шт.

4

416-46-12262

PIN

SN: 53001-UP

4шт.

5

416-46-12270

SHIM, 1.0MM

SN: 53001-UP

10шт.

6

01010-81220

BOLT

SN: 53001-UP

4шт.

7

175-54-34170

WASHER

SN: 53001-UP

4шт.

8

416-46-11210

BUMPER

SN: 53001-UP

2шт.

9

01010-81225

BOLT

SN: 53001-UP

2шт.

10

01643-31232

WASHER

SN: 53001-UP

2шт.

11

01643-31232

WASHER

SN: 53001-UP

4шт.

12

01435-01220

BOLT

SN: 53001-UP

4шт.

Выбрано товаров: 0