Запчасти Komatsu WA180-3 КАБИНА ROPS (ЭЛЕКТРИКА)(№-) КАБИНА ОПЕРАТОРА И СИСТЕМА УПРАВЛЕНИЯ

Схема запчастей Komatsu WA180-3 - КАБИНА ROPS (ЭЛЕКТРИКА)(№-) КАБИНА ОПЕРАТОРА И СИСТЕМА УПРАВЛЕНИЯ
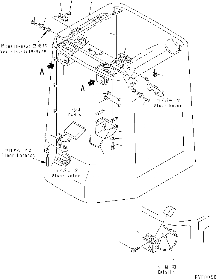
1
2
3
4
5
6
7
8
9
10
11
12
13
13
14
14
15
16
17
18
FIT
1:1
100%

Артикул

Название

Примечание

Количество

|$1

417-926-2031

ROPS CAB ASS'Y

SN: 53174-54000

1шт.

|$2

417-926-2030

ROPS CAB ASS'Y

SN: 53001-53173

1шт.

|$$3

THESE ASSEMBLIES CONSIST OF ALL PARTS SHOWN IN FIGS.K0210-01A0 TO K0210-20A0.

-1шт.

1

421-06-23360

LAMP ASS'Y,WORK

SN: 53001-54000

2шт.

1

421-06-23320

LENS

SN: 53001-54000

1шт.

1

421-06-23330

BULB, 70W

SN: 53001-54000

1шт.

2

01435-01220

BOLT

SN: 53001-54000

2шт.

3

421-56-21680

FASTENER

SN: 53001-54000

4шт.

4

421-56-21330

COVER,L.H.

SN: 53001-54000

1шт.

5

421-56-21340

COVER,R.H.

SN: 53001-54000

1шт.

6

421-56-21350

SEAL

SN: 53001-54000

2шт.

7

01023-70512

SCREW

SN: 53001-@

8шт.

8

01642-40608

WASHER

SN: 53001-@

8шт.

9

421-56-21420

PANEL,SWITCH

SN: 53001-@

2шт.

10

01224-70516

SCREW

SN: 53001-@

4шт.

11

421-06-26210

LAMP ASS'Y,ROOM

SN: 53001-@

1шт.

11

421-06-26250

LENS

SN: 53001-@

2шт.

11

421-06-26260

BULB, 10W

SN: 53001-@

2шт.

12

01023-70512

SCREW

SN: 53001-@

2шт.

13

421-56-21730

SWITCH,DOOR

SN: 53001-@

2шт.

14

01220-70512

SCREW

SN: 53001-@

2шт.

15

01220-70412

SCREW

SN: 53001-@

1шт.

16

09415-00706

CAP

SN: 53001-@

1шт.

17

421-56-21651

WIRING HARNESS

SN: 53001-54000

1шт.

18

417-56-21150

CABLE

SN: 53001-@

1шт.

Выбрано товаров: 0