Запчасти Komatsu WA180-3 ТОПЛИВН. БАК. (БАК И ТОПЛИВОПРОВОД.) (С ДОПОЛН. ТОПЛИВН. ФИЛЬТР.) ТОПЛИВН. БАК. AND КОМПОНЕНТЫ

Схема запчастей Komatsu WA180-3 - ТОПЛИВН. БАК. (БАК И ТОПЛИВОПРОВОД.) (С ДОПОЛН. ТОПЛИВН. ФИЛЬТР.) ТОПЛИВН. БАК. AND КОМПОНЕНТЫ
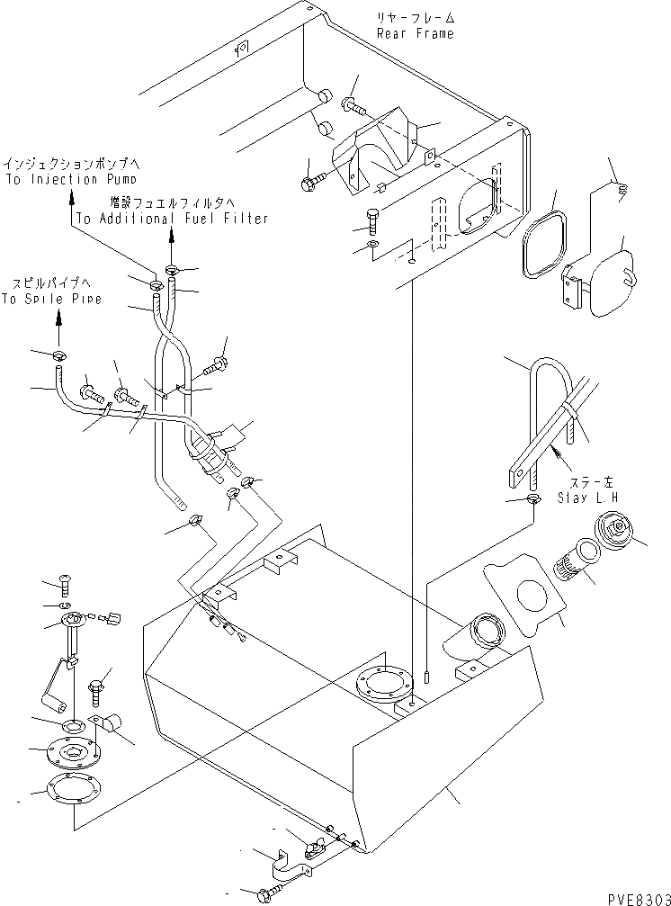
1
2
3
4
5
6
7
8
9
10
10
11
12
13
14
15
16
17
18
19
20
21
22
23
23
24
24
24
25
26
27
28
29
30
30
31
32
33
34
35
36
37
38
FIT
1:1
100%

Артикул

Название

Примечание

Количество

1

417-04-21241

FUEL TANK

SN: 53001-UP

1шт.

2

416-04-10150

COVER

SN: 53001-UP

1шт.

3

421-04-11191

GASKET

SN: 53001-UP

1шт.

4

01435-01020

BOLT

SN: 53001-UP

6шт.

5

08036-10810

CLIP

SN: 53001-UP

1шт.

6

363-04-11130

VALVE

SN: 53001-UP

1шт.

7

417-04-10140

COVER

SN: 53001-UP

1шт.

8

01435-00816

BOLT

SN: 53001-UP

2шт.

9

07270-21098

TUBE

SN: 53001-UP

1шт.

10

07281-00167

CLAMP

SN: 53001-UP

2шт.

11

417-04-10131

SENSOR,FUEL LEVEL

SN: 53001-UP

1шт.

12

419-04-10140

GASKET

SN: 53001-UP

1шт.

13

01220-40512

SCREW

SN: 53001-UP

5шт.

14

01601-20513

WASHER,SPRING

SN: 53001-UP

5шт.

15

07270-21086

TUBE

SN: 53001-UP

1шт.

16

07281-00167

CLAMP

SN: 53001-UP

1шт.

17

07270-20496

TUBE

SN: 53001-UP

1шт.

18

07285-00085

CLIP

SN: 53001-UP

1шт.

19

01010-81635

BOLT

SN: 53001-UP

4шт.

20

421-70-11280

WASHER

SN: 53001-UP

4шт.

21

07281-00167

CLAMP

SN: 53001-UP

1шт.

22

07285-00085

CLIP

SN: 53001-UP

1шт.

23

08036-00814

CLIP

SN: 53001-UP

2шт.

24

01435-01016

BOLT

SN: 53001-UP

3шт.

25

08034-20519

BAND

SN: 53001-UP

2шт.

26

423-04-11362

CAP

SN: 53001-UP

1шт.

26

417-04-21230

PACKING

SN: 53001-UP

1шт.

27

07056-18416

STRAINER

SN: 53001-UP

1шт.

28

07270-21076

TUBE

SN: 53001-UP

1шт.

29

07281-00167

CLAMP

SN: 53001-UP

1шт.

30

04434-51510

CLIP

SN: 53001-UP

1шт.

31

08034-20536

BAND

SN: 53001-UP

1шт.

32

417-04-21131

COVER

SN: 53001-UP

1шт.

33

01435-01020

BOLT

SN: 53001-UP

2шт.

34

417-04-21171

COVER

SN: 53001-UP

1шт.

35

09467-00006

SPRING

SN: 53001-UP

1шт.

36

417-04-21210

FINISHER

SN: 53001-UP

1шт.

37

01435-01020

BOLT

SN: 53001-UP

2шт.

38

417-04-21220

RUBBER

SN: 53001-UP

1шт.

Выбрано товаров: 0