Запчасти Komatsu WA180-3L FIG. F-A ТРАНСМИССИЯ - ВХОДН. ВАЛ И THIRD И FOURTH ПРИВОД СИЛОВАЯ ПЕРЕДАЧА И КОНЕЧНАЯ ПЕРЕДАЧА

Схема запчастей Komatsu WA180-3L - FIG. F-A ТРАНСМИССИЯ - ВХОДН. ВАЛ И THIRD И FOURTH ПРИВОД СИЛОВАЯ ПЕРЕДАЧА И КОНЕЧНАЯ ПЕРЕДАЧА
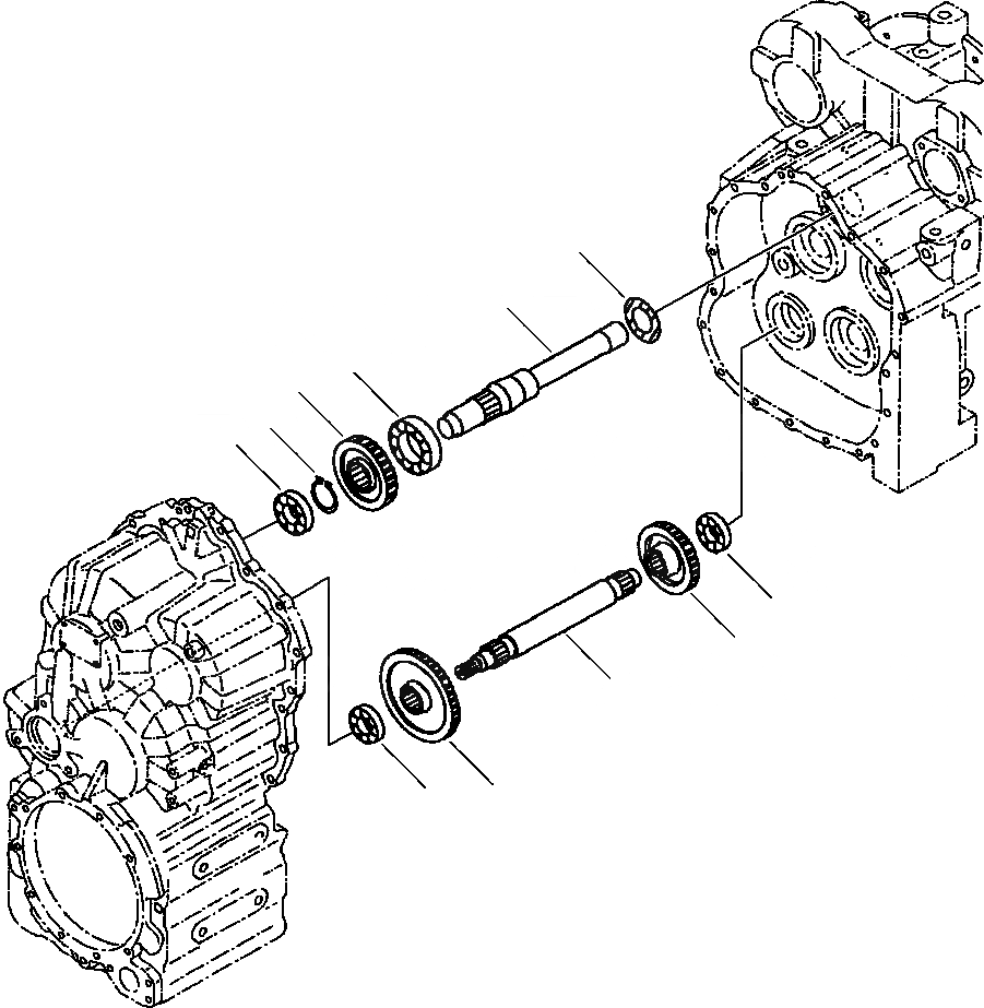
6
1
3
9
5
4
10
8
7
2
10
FIT
1:1
100%

Артикул

Название

Примечание

Количество

|$0

TRANSMISSION ASSEMBLY(SEE FIG. F4350-51A0)

SN: A80001-A80135-UP

-1шт.

|$2

OR

-1шт.

|$4

TRANSMISSION ASSEMBLY(SEE FIG. F4350-51A0)

SN: A80136-UP-UP

-1шт.

1

714-11-14510

SHAFT, INPUT

SN: A80001-UP-UP

1шт.

2

714-11-14610

GEAR, INPUT

SN: A80001-UP-UP

1шт.

3

06040-06210

BEARING

SN: A80001-UP-UP

1шт.

4

06040-06207

BEARING, BALL

SN: A80001-UP-UP

1шт.

5

04064-04818

RING, SNAP

SN: A80001-UP-UP

1шт.

6

419-15-12122

RING, SEAL

SN: A80001-UP-UP

1шт.

7

714-11-12250

SHAFT, 4TH

SN: A80001-UP-UP

1шт.

8

714-11-12510

GEAR, 4TH - 33 TEETH

SN: A80001-UP-UP

1шт.

9

714-11-12520

GEAR, 3RD - 45 TEETH

SN: A80001-UP-UP

1шт.

10

06040-06306

BEARING

SN: A80001-UP-UP

2шт.

Выбрано товаров: 13