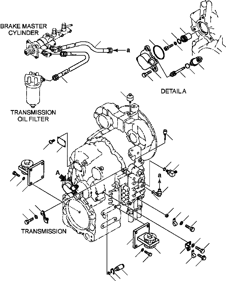
Запчасти Komatsu WA180-3L FIG. F-A ТРАНСМИССИЯ - АКСЕССУАРЫ КРЕПЛЕНИЕ СИЛОВАЯ ПЕРЕДАЧА И КОНЕЧНАЯ ПЕРЕДАЧА

Схема запчастей Komatsu WA180-3L - FIG. F-A ТРАНСМИССИЯ - АКСЕССУАРЫ КРЕПЛЕНИЕ СИЛОВАЯ ПЕРЕДАЧА И КОНЕЧНАЯ ПЕРЕДАЧА
10
11
15
8
38
16
13
14
7
12
9
25
1
31
6
5
33
32
23
21
22
20
17
24
28
19
26
18
30
29
36
35
20
37
34
22
21
26
27
2
4
3
FIT
1:1
100%

Артикул

Название

Примечание

Количество

|$0

TRANSMISSION ASSEMBLY(SEE FIG. F4350-51A0)

SN: A80001-A80135-UP

-1шт.

|$2

OR

-1шт.

|$4

TRANSMISSION ASSEMBLY(SEE FIG. F4350-51A0)

SN: A80136-UP-UP

-1шт.

1

07030-00252

BREATHER

SN: A80001-UP-UP

1шт.

2

419-15-18241

PLUG

SN: A80001-UP-UP

1шт.

3

07002-12434

O-RING

SN: A80001-UP-UP

1шт.

4

419-15-18251

RING, SNAP

SN: A80001-UP-UP

1шт.

5

09608-05080

PLATE, NAME - LIMITED SUPPLY

SN: A80001-UP-UP

1шт.

6

04418-03060

SCREW

SN: A80001-UP-UP

4шт.

7

714-11-11350

RETAINER

SN: A80001-UP-UP

1шт.

|$13

OR

-1шт.

7

714-11-11340

RETAINER - WITH GROUND DRIVEN STEERING

SN: A80001-UP-UP

1шт.

8

07000-02085

O-RING

SN: A80001-UP-UP

1шт.

|$18

OR

-1шт.

8

07000-12085

O-RING - WITH GROUND DRIVEN STEERING

SN: A80001-UP-UP

1шт.

9

01010-E1230

BOLT

SN: A80001-UP-UP

3шт.

10

714-11-14690

WORM

SN: A80001-UP-UP

1шт.

|$24

OR

-1шт.

10

714-11-14680

WORM - WITH GROUND DRIVEN STEERING

SN: A80001-UP-UP

1шт.

11

04065-01910

RING, SNAP

SN: A80001-UP-UP

1шт.

12

714-11-14670

GEAR

SN: A80001-UP-UP

1шт.

13

714-07-18660

SLEEVE

SN: A80001-UP-UP

1шт.

14

07002-12434

O-RING

SN: A80001-UP-UP

1шт.

15

01252-30816

BOLT

SN: A80001-UP-UP

1шт.

16

01643-30823

WASHER

SN: A80001-UP-UP

1шт.

17

714-11-18990

PLATE

SN: A80001-UP-UP

1шт.

18

01010-E1245

BOLT

SN: A80001-UP-UP

1шт.

19

01643-31232

WASHER

SN: A80001-UP-UP

1шт.

20

417-14-11110

BRACKET

SN: A80001-UP-UP

2шт.

21

01010-61650

BOLT

SN: A80001-UP-UP

8шт.

22

01643-31645

WASHER

SN: A80001-UP-UP

8шт.

23

07235-10628

ELBOW

SN: A80001-A80135-UP

1шт.

|$41

OR

-1шт.

23

209-62-14550

ELBOW

SN: A80136-UP-UP

1шт.

24

07002-12434

O-RING

SN: A80001-UP-UP

1шт.

25

07102-21007

HOSE, SUPPLY

SN: A80001-UP-UP

1шт.

26

04434-52711

CLIP

SN: A80001-A80135-UP

2шт.

|$48

OR

-1шт.

26

04434-52712

CLIP

SN: A80136-UP-UP

2шт.

27

01435-01016

BOLT

SN: A80001-UP-UP

1шт.

28

424-54-14380

COLLAR

SN: A80001-UP-UP

1шт.

29

01010-E1095

BOLT

SN: A80001-UP-UP

1шт.

30

01643-31032

WASHER

SN: A80001-UP-UP

1шт.

31

232-06-52410

SENSOR, TORQUE CONVERTER OIL TEMPERATURE

SN: A80001-UP-UP

1шт.

32

419-15-14641

ELBOW

SN: A80001-UP-UP

1шт.

33

07002-13334

O-RING

SN: A80001-UP-UP

1шт.

34

714-11-18980

PLATE

SN: A80001-UP-UP

1шт.

35

01010-E1220

BOLT

SN: A80001-UP-UP

1шт.

36

01643-31232

WASHER

SN: A80001-UP-UP

1шт.

N/I

07043-70108

PLUG

SN: A80001-UP-UP

1шт.

37

CUSHION ASSEMBLY (SEE FIG. F4810-01A0)

SN: A80001-UP-UP

-1шт.

38

HOSE, RETURN (SEE FIG. K4460-02A0)

SN: A80001-UP-UP

-1шт.

|$64

-1шт.

|$65

F1 - THESE PARTS ARE ONLY USED FOR MACHINES WITH GROUND DRIVEN STEERING.

-1шт.

|$66

-1шт.

Выбрано товаров: 55