Запчасти Komatsu WA180-3L FIG. F-A СТОЯНОЧНЫЙ ТОРМОЗ - ЭЛЕМЕНТЫ УПРАВЛ-Я - ПЕДАЛЬ И РЫЧАГ СИЛОВАЯ ПЕРЕДАЧА И КОНЕЧНАЯ ПЕРЕДАЧА

Схема запчастей Komatsu WA180-3L - FIG. F-A СТОЯНОЧНЫЙ ТОРМОЗ - ЭЛЕМЕНТЫ УПРАВЛ-Я - ПЕДАЛЬ И РЫЧАГ СИЛОВАЯ ПЕРЕДАЧА И КОНЕЧНАЯ ПЕРЕДАЧА
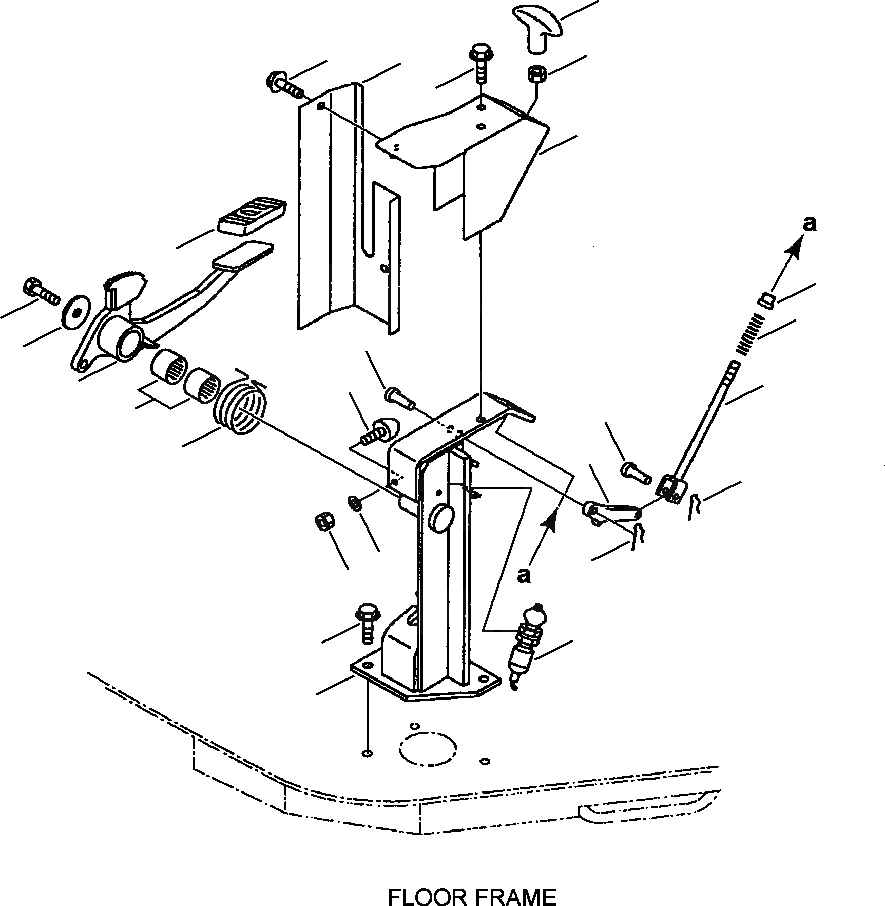
20
21
24
25
26
23
7
13
12
5
9
6
16
11
2
14
3
4
8
15
18
10
17
19
22
1
FIT
1:1
100%

Артикул

Название

Примечание

Количество

1

416-22-26110

BRACKET

SN: A80001-UP-UP

1шт.

2

416-22-26121

PEDAL

SN: A80001-UP-UP

1шт.

3

06124-02520

BEARING, NEEDLE

SN: A80001-UP-UP

2шт.

4

416-22-26280

SPRING

SN: A80001-UP-UP

1шт.

5

01010-81016

BOLT

SN: A80001-UP-UP

1шт.

6

415-64-13120

WASHER

SN: A80001-UP-UP

1шт.

7

363-43-37170

PAD

SN: A80001-UP-UP

1шт.

8

416-22-26130

PAWL

SN: A80001-UP-UP

1шт.

9

04205-11030

PIN

SN: A80001-UP-UP

1шт.

10

04052-11038

PIN, SNAP

SN: A80001-UP-UP

1шт.

11

416-22-26190

ROD

SN: A80001-UP-UP

1шт.

12

416-22-26210

SPRING

SN: A80001-UP-UP

1шт.

13

416-22-26250

BUSHING

SN: A80001-UP-UP

1шт.

14

04205-10622

PIN

SN: A80001-UP-UP

1шт.

15

04052-10633

PIN, SNAP

SN: A80001-UP-UP

1шт.

16

416-22-26230

STOPPER

SN: A80001-UP-UP

1шт.

17

01580-10605

NUT

SN: A80001-UP-UP

1шт.

18

01643-30623

WASHER

SN: A80001-UP-UP

1шт.

19

42A-06-15120

SWITCH, STOP

SN: A80001-UP-UP

1шт.

20

416-22-26220

KNOB

SN: A80001-UP-UP

1шт.

21

01580-10806

NUT

SN: A80001-UP-UP

1шт.

22

01435-01025

BOLT

SN: A80001-UP-UP

3шт.

23

416-22-26140

COVER

SN: A80001-UP-UP

1шт.

24

01435-00812

BOLT

SN: A80001-UP-UP

2шт.

25

416-22-26150

COVER

SN: A80001-UP-UP

1шт.

26

01435-00812

BOLT

SN: A80001-UP-UP

2шт.

Выбрано товаров: 0