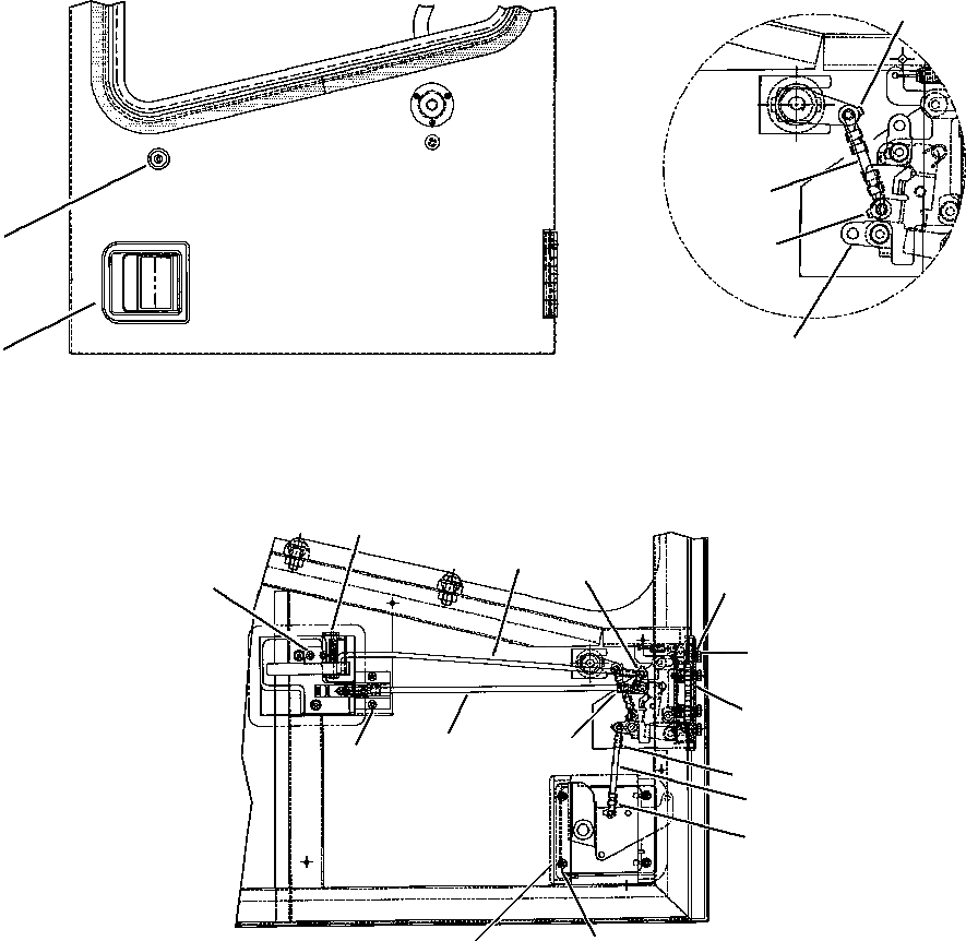
Запчасти Komatsu WA180-3L FIG. K-A КАБИНА - ЛЕВ. ДВЕРЬ - БЛОКИР. КАБИНА ОПЕРАТОРА И СИСТЕМА УПРАВЛЕНИЯ

Схема запчастей Komatsu WA180-3L - FIG. K-A КАБИНА - ЛЕВ. ДВЕРЬ - БЛОКИР. КАБИНА ОПЕРАТОРА И СИСТЕМА УПРАВЛЕНИЯ
15
14
1
16
5
2
9
12
15
7
10
8
6
11
16
10
15
13
15
4
3
FIT
1:1
100%

Артикул

Название

Примечание

Количество

|$0

DOOR ASSEMBLY, L.H.(SEE FIG. K0210-11A0)

SN: A80001-UP-UP

-1шт.

1

427-56-11790

LOCK ASSEMBLY

SN: A80001-UP-UP

1шт.

2

423-926-A620

PADDLE HANDLE ASSEMBLY, L.H.

SN: A80001-UP-UP

1шт.

3

427-926-A530

PADDLE HANDLE MOUNT

SN: A80001-UP-UP

1шт.

4

423-926-A530

SCREW

SN: A80001-UP-UP

2шт.

5

423-926-A560

LINKAGE ASSEMBLY, L.H.

SN: A80001-UP-UP

1шт.

6

416-926-A550

ROTOR LATCH ASSEMBLY, L.H.

SN: A80001-UP-UP

1шт.

7

416-926-A680

WASHER, FLAT

SN: A80001-UP-UP

4шт.

8

416-926-A690

BOLT, HEX

SN: A80001-UP-UP

4шт.

9

416-926-A560

HANDLE INSIDE, L.H.

SN: A80001-UP-UP

1шт.

10

416-926-A590

SCREW

SN: A80001-UP-UP

4шт.

11

416-926-A710

ROD, DOOR LOCK

SN: A80001-UP-UP

1шт.

12

416-926-A570

ROD, L.H. DOOR LATCH

SN: A80001-UP-UP

1шт.

13

416-926-A720

ROD

SN: A80001-UP-UP

1шт.

14

416-926-A730

ROD

SN: A80001-UP-UP

1шт.

15

423-926-A590

ROD CLIP - 7R

SN: A80001-UP-UP

4шт.

16

423-926-A570

ROD CLIP - 7L

SN: A80001-UP-UP

2шт.

Выбрано товаров: 0