Запчасти Komatsu WA180-3L FIG. K7-A КОНДИЦ. ВОЗДУХА - КОНДЕНСАТОР ASSEMBLY КАБИНА ОПЕРАТОРА И СИСТЕМА УПРАВЛЕНИЯ

Схема запчастей Komatsu WA180-3L - FIG. K7-A КОНДИЦ. ВОЗДУХА - КОНДЕНСАТОР ASSEMBLY КАБИНА ОПЕРАТОРА И СИСТЕМА УПРАВЛЕНИЯ
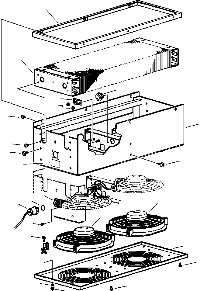
1
2
7
8
11
6
5
6
4
6
12
15
13
16
17
16
14
18
3
4
9
4
10
FIT
1:1
100%

Артикул

Название

Примечание

Количество

|$0

AIR CONDITIONER KIT(SEE FIG. K0710-01A0)

SN: A80001-UP-UP

-1шт.

|$1

KIT, CONDENSER (SEE FIG. K0710-06A2)

SN: A80001-UP-UP

-1шт.

|$2

417-963-A340

CONDENSER ASSEMBLY

SN: A80001-UP-UP

1шт.

1

416-963-A320

SCREEN

SN: A80001-UP-UP

1шт.

2

416-963-A310

COIL

SN: A80001-UP-UP

1шт.

3

416-963-A410

TOP

SN: A80001-UP-UP

1шт.

4

416-963-A060

SCREW, TORX

SN: A80001-UP-UP

18шт.

5

416-963-A330

HOUSING

SN: A80001-UP-UP

1шт.

6

418-T42-A470

SCREW, TORX

SN: A80001-UP-UP

17шт.

7

425-963-A990

GROMMET, RUBBER

SN: A80001-UP-UP

1шт.

8

416-963-A340

TERMINAL, STUD BLOCK

SN: A80001-UP-UP

1шт.

9

174 916

WASHER, LOCK

SN: A80001-UP-UP

8шт.

10

131 420

NUT, ACORN

SN: A80001-UP-UP

8шт.

11

416-942-A150

NUT

SN: A80001-UP-UP

3шт.

12

1300 160 H1

DECAL

SN: A80001-UP-UP

1шт.

13

416-963-A360

SEAL

SN: A80001-UP-UP

1шт.

14

416-963-A370

SCREW, SLOTTED

SN: A80001-UP-UP

4шт.

15

416-963-A380

HARNESS, INTERNAL

SN: A80001-UP-UP

1шт.

16

416-963-A390

FAN, PUSHER

SN: A80001-UP-UP

2шт.

17

HARNESS, EXTERNAL - JUMPER (SEE FIG. K0710-06A2)

SN: A80001-UP-UP

-1шт.

18

425-963-A730

SCREW, WHIZLOCK

SN: A80001-UP-UP

8шт.

Выбрано товаров: 21