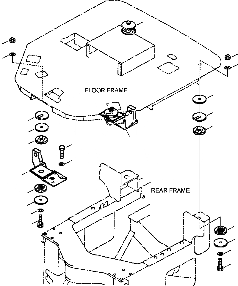
Запчасти Komatsu WA180-3L FIG. K-A ПОЛ - СУППОРТ - MACHINES С СИСТЕМОЙ ROPS ИЛИ КАБИНА КАБИНА ОПЕРАТОРА И СИСТЕМА УПРАВЛЕНИЯ

Схема запчастей Komatsu WA180-3L - FIG. K-A ПОЛ - СУППОРТ - MACHINES С СИСТЕМОЙ ROPS ИЛИ КАБИНА КАБИНА ОПЕРАТОРА И СИСТЕМА УПРАВЛЕНИЯ
6
9
9
8
8
6
10
10
5
6
1
3
5
4
2
5
6
8
7
5
6
8
7
FIT
1:1
100%

Артикул

Название

Примечание

Количество

1

417-928-2111

SUPPORT, L.H.

SN: A80001-UP-UP

1шт.

2

417-928-2121

SUPPORT, R.H.

SN: A80001-UP-UP

1шт.

3

01010-61660

BOLT

SN: A80001-UP-UP

8шт.

4

01643-31645

WASHER

SN: A80001-UP-UP

8шт.

5

425-54-13160

CUSHION

SN: A80001-UP-UP

8шт.

6

419-54-13130

PLATE

SN: A80001-UP-UP

8шт.

7

01011-81605

BOLT

SN: A80001-UP-UP

4шт.

8

01643-31645

WASHER

SN: A80001-UP-UP

8шт.

9

01596-01615

NUT, LOCK

SN: A80001-UP-UP

4шт.

10

417-54-A1380

SHIM

SN: A80001-UP-UP

4шт.

Выбрано товаров: 0