Запчасти Komatsu WA180-3L FIG. K9-A ПОЛ - ДОПОЛН. ЭЛЕКТР. ЭЛЕКТРОПРОВОДКА - MACHINES С КАБИНА КАБИНА ОПЕРАТОРА И СИСТЕМА УПРАВЛЕНИЯ

Схема запчастей Komatsu WA180-3L - FIG. K9-A ПОЛ - ДОПОЛН. ЭЛЕКТР. ЭЛЕКТРОПРОВОДКА - MACHINES С КАБИНА КАБИНА ОПЕРАТОРА И СИСТЕМА УПРАВЛЕНИЯ
8
6
7
3
1
14
13
12
10
9
5
15
8
1
4
3
11
2
FIT
1:1
100%

Артикул

Название

Примечание

Количество

|$0

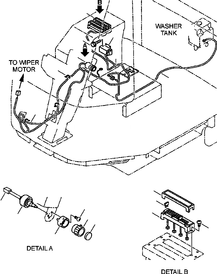
421-06-26110

SWITCH ASSEMBLY, WIPER

SN: A80001-UP-UP

1шт.

1

421-06-26120

SWITCH

SN: A80001-UP-UP

1шт.

2

421-06-26130

COLLAR

SN: A80001-UP-UP

1шт.

3

421-06-26140

CAP

SN: A80001-UP-UP

1шт.

4

421-06-26150

KNOB ASSEMBLY

SN: A80001-UP-UP

1шт.

5

08056-11071

CONNECTOR

SN: A80001-UP-UP

2шт.

6

421-06-26220

RELAY, WIPER

SN: A80001-UP-UP

1шт.

7

01435-00612

BOLT

SN: A80001-UP-UP

2шт.

8

417-06-26111

FUSE BOX ASSEMBLY, CAB

SN: A80001-UP-UP

1шт.

9

283-06-16190

FUSE, 10 A

SN: A80001-UP-UP

7шт.

|$10

22W-06-13160

FUSE, 20 A

SN: A80001-UP-UP

4шт.

10

283-06-16120

COVER

SN: A80001-UP-UP

1шт.

11

01023-70520

SCREW

SN: A80001-UP-UP

2шт.

12

417-06-26120

WIRING HARNESS

SN: A80001-UP-UP

1шт.

13

417-06-26130

WIRING HARNESS

SN: A80001-UP-UP

1шт.

14

935 522 C1

STRAP, TIE

SN: A80001-UP-UP

9шт.

15

421-06-26160

SCREW, TAPPING

SN: A80001-UP-UP

2шт.

Выбрано товаров: 17