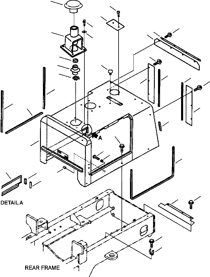
Запчасти Komatsu WA180-3L FIG. M-A КАПОТ - КАПОТ ЧАСТИ КОРПУСА

Схема запчастей Komatsu WA180-3L - FIG. M-A КАПОТ - КАПОТ ЧАСТИ КОРПУСА
22
29
28
15
14
24
23
13
25
18
26
21
27
26
17
17
18
16
7
7
16
5
3
2
1
12
11
6
1
4
30
8
20
19
10
9
FIT
1:1
100%

Артикул

Название

Примечание

Количество

1

417-54-22610

HOOD

SN: A80001-UP-UP

1шт.

2

01435-01235

BOLT

SN: A80001-UP-UP

6шт.

3

416-54-21540

SEAL

SN: A80001-UP-UP

2шт.

4

417-54-21370

SEAL

SN: A80001-UP-UP

1шт.

5

417-54-21380

SEAL

SN: A80001-UP-UP

1шт.

6

417-54-21390

SEAL

SN: A80001-UP-UP

1шт.

7

417-54-21490

SEAL

SN: A80001-UP-UP

2шт.

8

417-54-21990

SHEET

SN: A80001-UP-UP

1шт.

9

417-54-21460

SPRING

SN: A80001-UP-UP

2шт.

10

01435-00812

BOLT

SN: A80001-UP-UP

2шт.

11

08052-01911

CLIP

SN: A80001-UP-UP

1шт.

12

01220-40608

SCREW

SN: A80001-UP-UP

1шт.

13

417-54-22520

PLATE

SN: A80001-UP-UP

1шт.

14

417-54-21430

PLATE

SN: A80001-UP-UP

1шт.

15

01435-00816

BOLT

SN: A80001-UP-UP

4шт.

16

417-54-A1911

PLATE

SN: A80001-UP-UP

2шт.

17

417-54-A1941

SEAL

SN: A80001-UP-UP

2шт.

18

01435-00816

BOLT

SN: A80001-UP-UP

6шт.

19

417-54-A2130

PLATE

SN: A80001-UP-UP

1шт.

20

01435-01016

BOLT

SN: A80001-UP-UP

3шт.

21

416-54-21280

PLUG

SN: A80001-UP-UP

2шт.

22

600-181-8160

CAP

SN: A80001-UP-UP

1шт.

23

417-U12-2210

BRACKET

SN: A80001-UP-UP

1шт.

24

01010-81020

BOLT

SN: A80001-UP-UP

4шт.

25

01643-21032

WASHER

SN: A80001-UP-UP

4шт.

26

07281-01159

CLAMP

SN: A80001-UP-UP

2шт.

27

600-181-0640

HOSE

SN: A80001-UP-UP

1шт.

28

416-Z91-2110

PLATE

SN: A80001-UP-UP

1шт.

29

01435-00820

BOLT

SN: A80001-UP-UP

2шт.

30

09415-00706

CAP

SN: A80001-UP-UP

1шт.

Выбрано товаров: 30