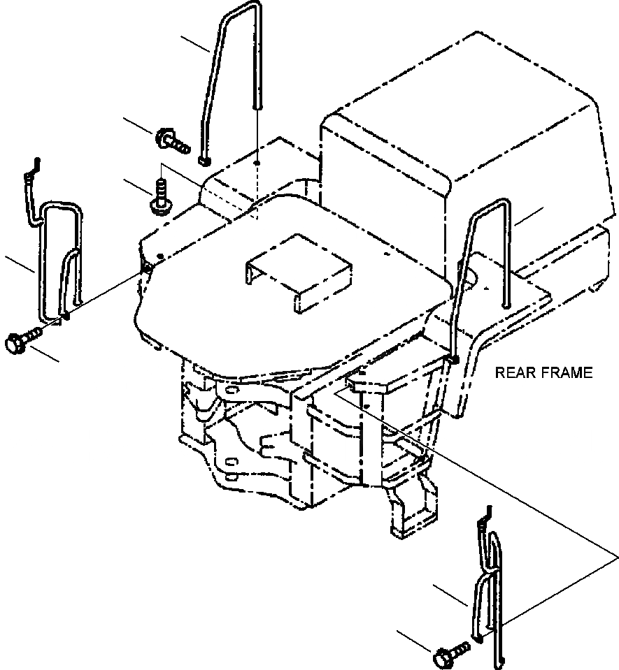
Запчасти Komatsu WA180-3L FIG. M-A ПОРУЧНИ- MACHINES С СИСТЕМОЙ ROPS ИЛИ FRP НАВЕС ЧАСТИ КОРПУСА

Схема запчастей Komatsu WA180-3L - FIG. M-A ПОРУЧНИ- MACHINES С СИСТЕМОЙ ROPS ИЛИ FRP НАВЕС ЧАСТИ КОРПУСА
5
7
6
5
3
4
1
2
FIT
1:1
100%

Артикул

Название

Примечание

Количество

1

417-54-25111

HANDRAIL, L.H.

SN: A80001-UP-UP

1шт.

2

01435-01225

BOLT

SN: A80001-UP-UP

3шт.

3

417-54-25120

HANDRAIL, R.H.

SN: A80001-UP-UP

1шт.

4

01435-01225

BOLT

SN: A80001-UP-UP

3шт.

5

417-54-25130

HANDRAIL

SN: A80001-UP-UP

2шт.

6

01435-01225

BOLT

SN: A80001-UP-UP

2шт.

7

01435-01265

BOLT

SN: A80001-UP-UP

2шт.

Выбрано товаров: 7