Запчасти Komatsu WA180-3MC FIG. K9-A ПОЛ - ДОПОЛН. ЭЛЕКТР. ЭЛЕКТРОПРОВОДКА - MACHINES С КАБИНА КАБИНА ОПЕРАТОРА И СИСТЕМА УПРАВЛЕНИЯ

Схема запчастей Komatsu WA180-3MC - FIG. K9-A ПОЛ - ДОПОЛН. ЭЛЕКТР. ЭЛЕКТРОПРОВОДКА - MACHINES С КАБИНА КАБИНА ОПЕРАТОРА И СИСТЕМА УПРАВЛЕНИЯ
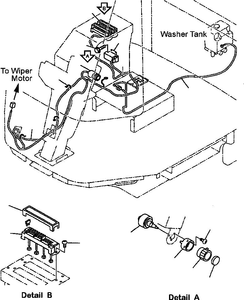
8
6
7
9
5
8
2
4
3
12
1
13
10
1
11
FIT
1:1
100%

Артикул

Название

Примечание

Количество

|$0

421-06-26110

SWITCH ASSEMBLY, WIPER

SN: A81001-UP-UP

1шт.

1

421-06-26120

SWITCH

SN: A81001-UP-UP

1шт.

2

421-06-26130

COLLAR

SN: A81001-UP-UP

1шт.

3

421-06-26140

CAP

SN: A81001-UP-UP

1шт.

4

421-06-26150

KNOB ASSEMBLY

SN: A81001-UP-UP

1шт.

5

421-06-26160

SCREW, TAPPING

SN: A81001-UP-UP

2шт.

6

421-06-26220

RELAY, WIPER

SN: A81001-UP-UP

1шт.

7

01435-00612

BOLT

SN: A81001-UP-UP

2шт.

8

FUSE BOX ASSEMBLY, CAB(SEE FIG. K4210-01A0)

SN: A81001-UP-UP

-1шт.

|$9

FUSE, 10 A (SEE FIG. K4210-01A0)

SN: A81001-UP-UP

-1шт.

|$10

FUSE, 20 A (SEE FIG. K4210-01A0)

SN: A81001-UP-UP

-1шт.

9

283-06-16120

COVER

SN: A81001-UP-UP

1шт.

10

01023-70520

SCREW

SN: A81001-UP-UP

2шт.

11

417-06-26120

WIRING HARNESS

SN: A81001-UP-UP

1шт.

12

417-06-26130

WIRING HARNESS

SN: A81001-UP-UP

1шт.

13

935 522 C1

STRAP, TIE

SN: A81001-UP-UP

-2шт.

Выбрано товаров: 16